新06G312钢筋混凝土过梁图集,一般被简称为新06g312图集,该图集适用范围较广,是一份十分具有实用性和价值的图集,属于新疆维吾尔自治区地方标准图集之一,本节内容小编为大家整理带来的这份新06G312钢筋混凝土过梁图集为pdf格式电子版,该图集共由89页组成,如果你需要一份新06g312图集免费下载文档,那就赶紧点击本文相应的下载地址来进行下载吧!
新06g312图集相关推荐
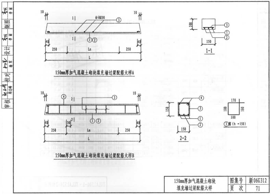
新06g312图集样张






新06G312钢筋混凝土过梁图集介绍
新06G312钢筋混凝土过梁图集,一般被简称为新06g312图集,该图集适用范围较广,是一份十分具有实用性和价值的图集,属于新疆维吾尔自治区地方标准图集之一,本节内容小编为大家整理带来的这份新06G312钢筋混凝土过梁图集为pdf格式电子版,该图集共由89页组成,如果你需要一份新06g312图集免费下载文档,那就赶紧点击本文相应的下载地址来进行下载吧!





下载地址
编辑推荐
2014腾讯客服年终总结doc格式免费版
6KB / 01-08 / doc格式免费版
武汉市育才小学教师年终工作总结doc格式【免
19KB / 01-08 / doc格式【免费】
南昌华山不孕不育专科医院护士年终总结doc格
5KB / 01-08 / doc格式【免费】
2015学校出纳人员工作总结(3篇)word电子免费
11KB / 01-08 / word电子免费版
悟空识字(科学儿童识字Game)2.0.4.6 官方版
1.0M / 08-05 / 2.0.4.6 官方版
相关合集
本类软件排行