本节内容小编为大家精选带来的是高清无水印版12J304楼地面建筑构造图集(简称12j304图集),本pdf格式免费电子版12J304楼地面建筑构造图集共由194页组成,图集内容详细、字迹清晰,有需要的朋友点击本文下方的下载地址进行下载即可查看这份12j304图集免费下载资料。
温馨提示:
本文档为pdf格式,因此需确保在阅读之前你已经安装了pdf阅读器,如果尚未安装阅读器,建议下载福昕pdf阅读器或其他PDF阅读器,进行安装后阅读。
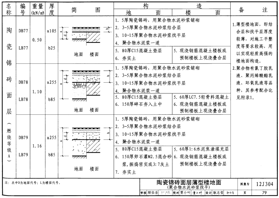
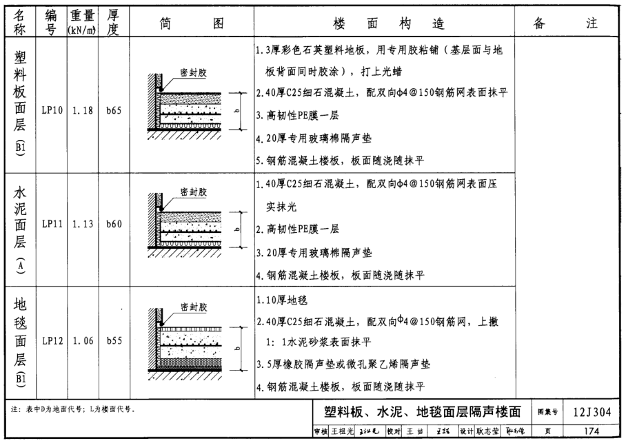
12J304楼地面建筑构造电子版高清图集内容截图






12J304楼地面建筑构造电子版高清图集相关内容小编就为大家介绍到这里了,更多pdf格式免费图集资料下载,敬请关注东坡下载站!

思科路由器RV042用户使用指南pdf完整电子版
00J008-3钢筋混凝土挡土墙(现浇悬臂式)图集
CDN技术详解pdf格式【完整版】
别怕Excel VBA其实很简单pdf高清电子版【免
L02J101墙身配件图集pdf免费版【13系列山东







05J909/07G120工程做法完整图集(高清无水印
GB50016-2014建筑设计防火规范pdf格式免费版
疯狂android讲义第3版pdf高清扫描版【中文版
Spring MVC学习指南pdf高清扫描版
图解机器学习pdf高清扫描版【中文版】