房屋建筑学课程设计指南是一本非常不错的建筑类书籍,里面介绍了很多关于建筑图集、图纸,是扫描版本的,还是比较清晰的,一会东坡小编截图给大家看,看看各位学习建筑学的朋友们是不是需要哦。
房屋建筑学课程设计指南内容介绍
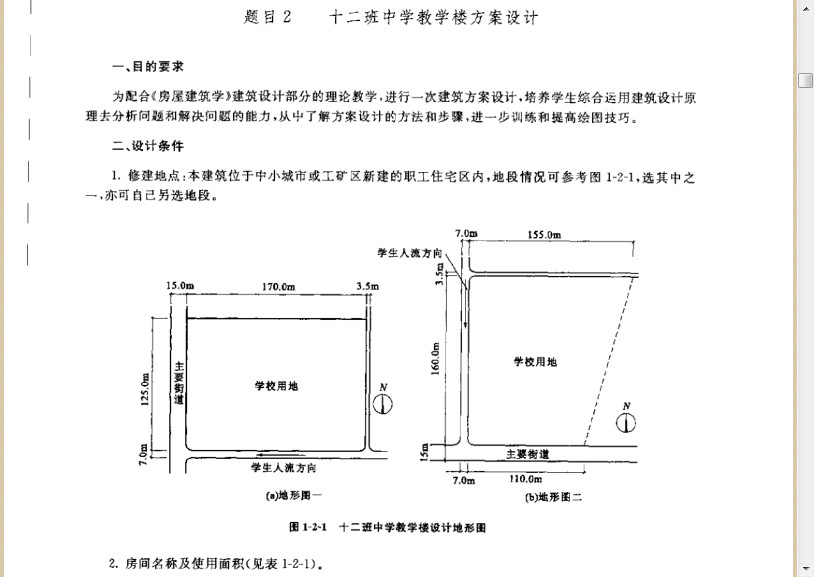
《房屋建筑学课程设计指南》是高等院校“土木工程专业课程设计指南系列丛书”之一。书中介绍了办公楼、学生宿舍楼、住宅楼、教学楼、医院门诊楼、普通旅馆、幼儿园等建筑类型的设计方法、设计内容、注意事项及基本要求。为帮助学生巩固理论基础知识,加强理论与实践课程的学习,提高教师在课程设计方面的实践教学效果,本书重点列举了以上各种类型建筑的设计实例,可以供广大教师在理论教学与实践教学中使用。本书可供高等院校土木工程专业师生作为课程设计的教学辅导与参考书。
房屋建筑学课程设计指南预览




图解网站分析(中文版)epub最新修订版【完整
HADOOP实战(中文第二版)pdf清晰完整电子版
请假条表格模板excel免费版【可直接打印使用
06J121-3外墙外保温建筑构造(三)图集pdf格式
SPRING技术内幕(深入解析SPRING架构与设计原







GB50016-2014建筑设计防火规范pdf格式免费版
05J909/07G120工程做法完整图集(高清无水印
Spring MVC学习指南pdf高清扫描版
疯狂android讲义第3版pdf高清扫描版【中文版