04J621-2电动采光排烟天窗图集简称为04j6212图集或是电动采光排烟天窗图集,本节内容小编为大家整理带来的这份04j6212图集为pdf格式超清免费版,该图集内容完整详细,如果你需要一份这样的图集的话,小编建议你点击本文相应的下载地址进行下载查阅!该图集共有35页,有需要的朋友快来下载吧!
温馨提示:
本文档为PDF格式文档,因此需确保在阅读之前你已经安装了pdf阅读器,如果尚未安装阅读器,建议下载福昕pdf阅读器或其他PDF阅读器进行安装后阅读。
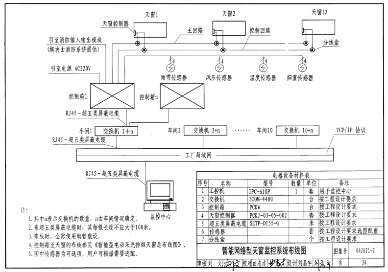
04J621-2电动采光排烟天窗图集图样




pdf格式免费版04J621-2电动采光排烟天窗图集关内容小编就为大家介绍到这里了,更多pdf格式免费图集资料下载,敬请关注东坡下载站!

三菱FR-A700通用变频器功能说明书pdf格式【
在编教师辞职报告范文doc格式免费版【在编教
01S122-10DFHRV系列导流浮动盘管型半容积式
K线炒股从入门到精通pdf格式清晰版【影印版
计算机程序的构造和解释(中文原书第二版)pd







GB50016-2014建筑设计防火规范pdf格式免费版
12J201平屋面建筑构造电子版高清图集pdf格式
疯狂android讲义第3版pdf高清扫描版【中文版