该三菱FR-A700通用变频器功能说明书(以下简称为fr-a700使用手册)为pdf格式高清电子版,内容分为概要、专用规格、浮动辊控制功能参数设置要领、浮动辊控制功能/卷径补偿功能参数、用途举例等六大部分,想要对三菱FR-A700通用变频器有更多了解的朋友们东坡小编建议点击本文相应的下载地址将这份手册下载下来进行收藏!
东坡学堂
三菱FR-A700通用变频器产品特点介绍
A700产品适用于各类对负载要求较高的设备,如起重、电梯、印包、印染、材料卷取及其它通用场合。三菱FR-A700系列变频器具有高水准的驱动性能。
●具有独特的无传感器矢量控制模式,在不需要采用编码器的情况下可以使用各式各样的机械设备在超低速区域高精度的运转。
●带转矩模式控制,并且在速度控制模式下可以使用转矩限制功能。
●具有矢量控制功通能(带编码器),变频器可以实现位置控制和快响应、高精度的速度控制(零速控制,伺服锁定等)及转矩控制。
fr-a700使用手册目录一览
专用规格
专用规格一览表
系统构成举例
控制块概略图
专用输入输出信号
输入信号一览表
输出信号一览表
浮动辊控制功能参数设置要领
设置要领
对于实际动作的增益调整
速度控制 P/I 增益调整(矢量控制)
浮动辊 PID 增益调整
浮动辊控制功能 / 卷径补偿功能参数
浮动辊控制功能 / 卷径补偿功能参数一览表
浮动辊控制
设置(Pr.128 ~ Pr.130、Pr.134 ~ Pr.137、Pr.709、Pr.710)
浮动辊目标位置(Pr.133、Pr.702)
目标位置输入的调整(Pr.708、C13、C15)
测量值的上限和下限检测信号(Pr.131、Pr.132)
增益切换(Pr.138、Pr.270 ~ Pr.278、Pr.464 ~ Pr.481、X89 信号、X90 信号)
速度补偿(Pr.706、Pr.798)
卷径计算功能
卷径计算功能和卷径补偿功能
线速度输入设置(Pr.763 ~ Pr.768)
传动轴的设置(Pr.762、Pr.773、Pr.774、X56 信号)
材料厚度和卷径的最大值、最小值设置(Pr.720 ~ Pr.727、Pr.752 ~ Pr.755、
信号、X54 信号)
卷径计算值有效开始旋转速度(Pr.797)
卷径计算结果的保存和清除(Pr.781 ~ Pr.783、X55 信号)
卷径计算取样和卷径计算的增加量限制(Pr.707、Pr.771、Pr.772、Pr.786)
主速修正旋转速度滤波器处理(Pr.769、Pr.770)
始动时的初始卷径计算(Pr.133、Pr.712、Pr.790 ~ Pr.797)
收卷 / 放卷长度的保存和清除(Pr.279 ~ Pr.281、X86 信号、Y53 信号)
主速设置
主速指令的输入方法
模拟量输入的主速指令
端子 JOG 脉冲串输入的主速指令(Pr.384 ~ Pr.386、Pr.703、Pr.704)
加减速时间的设置(Pr.756 ~ Pr.761、X51 信号、X52 信号)
根据卷径计算结果选择速度控制比例增益(Pr.777 ~ Pr.780)
达到卷径信号(Pr.750、Y52 信号)
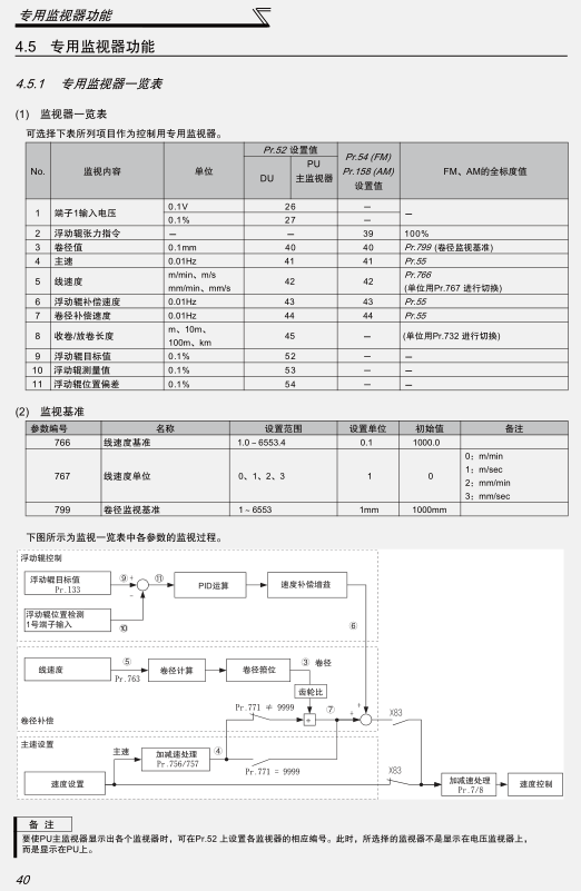
专用监视器功能
专用监视器一览表
端子 1 输入电压监视器
卷径值监视器
fr-a700使用手册内容预览图




自控力pdf免费版【扫描版】
代码整洁之道(中文版)pdf免费电子版
07FJ03防空地下室防护设备选用图集pdf格式超
加密与解密(原书第三版)epub格式【免费高清
电缆线路施工及验收规范pdf格式高清电子版







05J909/07G120工程做法完整图集(高清无水印
Spring MVC学习指南pdf高清扫描版
php从入门到精通第3版pdf高清完整扫描版免费
GB50016-2014建筑设计防火规范pdf格式免费版