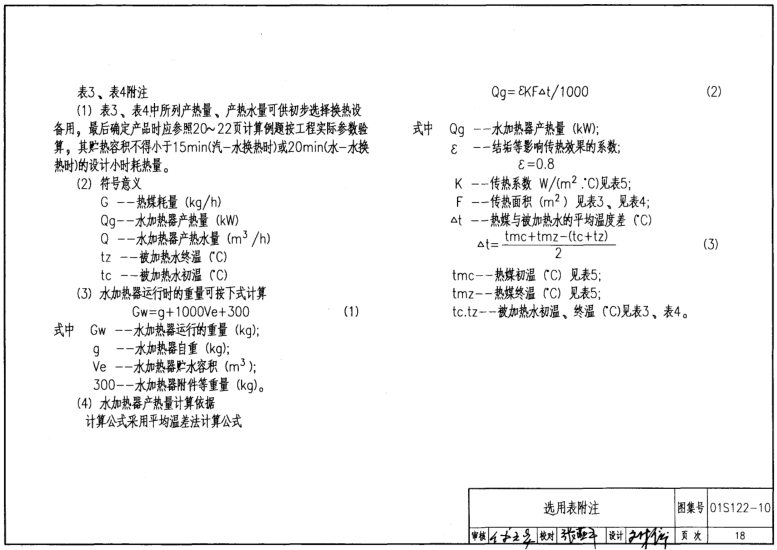
01S122-10DFHRV系列导流浮动盘管型半容积式水加热器选用及安装图集是一份主要适用于一般工业及民用建筑的生活热水供应系统的图集,该图集一般被简称为01S12210图集。本节内容小编为大家整理带来的是一份pdf格式超清免费版01S12210图集,该图集内容完整,字迹清晰,十分适合进行阅读或打印使用,有需要的朋友点击本文相应的下载地址进行下载即可将这份图集归为己有哦!图集为免费版,有需要的朋友可以放心下载使用!
温馨提示:
本文档为PDF格式文档,因此需确保在阅读之前你已经安装了pdf阅读器,如果尚未安装阅读器,建议下载福昕pdf阅读器或其他PDF阅读器进行安装后阅读。
01S12210图集图样




pdf格式免费版01S122-4SI系列弹性管束型半即热式水加热器选用及安装图集相关内容小编就为大家介绍到这里了,更多pdf格式免费图集资料下载,敬请关注东坡下载站!

深入理解计算机系统(中文版)免费清晰版【原
中山大学教师工作总结doc格式【免费下载】
05SFK10人民防空地下室设计规范图示(通风专
08G118单层厂房设计选用图集(上下册)pdf格式
GB150-2011压力容器设计标准pdf格式免费版




GB50016-2014建筑设计防火规范pdf格式免费版
12J201平屋面建筑构造电子版高清图集pdf格式
疯狂android讲义第3版pdf高清扫描版【中文版