本节内容小编为大家精选带来的是pdf格式免费版04SG518-2门式刚架轻型房屋钢结构图集(简称04sg5182图集),如果正好需要一份这样的04sg5182附构件详图资料的话,那就赶紧点击本文下方的下载地址进行下载查阅吧!相信这份图集资料一定会让你大有收获的!
温馨提示:
本文档为pdf格式,因此需确保在阅读之前你已经安装了PDF阅读器,如果尚未安装阅读器,建议下载福昕PDF阅读器或其他PDF阅读器,进行安装后阅读。

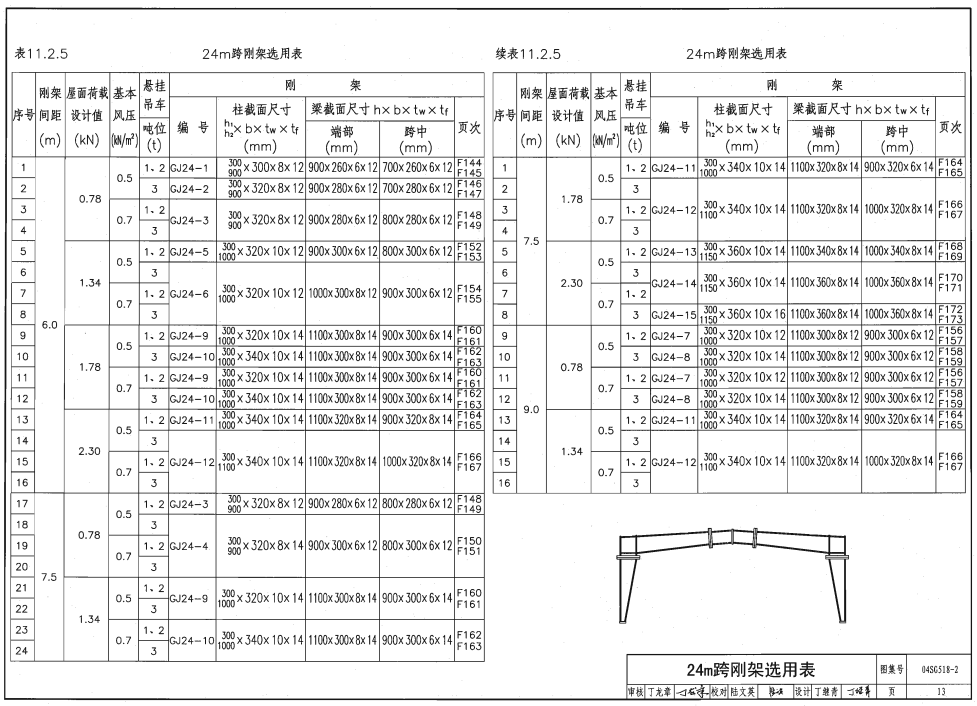
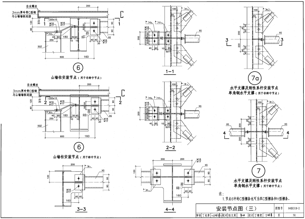
04SG518-2门式刚架轻型房屋钢结构图集内容截图






04SG518-2门式刚架轻型房屋钢结构图集相关内容小编就为大家介绍到这里了,更多pdf格式文档资料下载,敬请关注东坡下载站!
- PC官方版
- 安卓官方手机版
- IOS官方手机版













19dx101-1建筑电气常用数据2019PDF版





10S505柔性接口给水管道支墩图集pdf格式高清
12K404地面辐射供暖系统施工安装图集pdf高清
建筑工程绿色施工规范GB/T 50905-2014pdf电
11BS4排水工程图集(建筑设备施工安装通用图
05SS904民用建筑工程设计常见问题分析及图示
GB50164-2011混凝土质量控制标准规范pdf格式
11SG102-3钢吊车梁系统设计图平面表示方法和