15MR202城市道路-水泥混凝土路面图集,一份完美的pdf格式的电子版城市道路水泥混凝土路面图集,代替05MR202《城市道路-水泥混凝土路面》这个标准图集,对于各位学习建筑的朋友们非常的有帮助,欢迎有需要的朋友前来东坡下载把15MR202城市道路-水泥混凝土路面图集收入囊中。

15MR202城市道路-水泥混凝土路面图集内容介绍
15MR202《城市道路-水泥混凝土路面》为修编图集,根据《城市道路工程设计规范》CJJ 37-2012和《城镇道路路面设计规范》CJJ 169-2012等进行编制,替代05MR202《城市道路-水泥混凝土路面》,适用于新建和改建的城镇道路的普通水泥混凝土路面设计,城市广场、停车场及居住区道路的普通水泥混凝土路面设计可参照本图集使用。图集主要内容包括各等级城市道路、不同交通等级的典型路面结构图、路面纵缝和横缝构造图、特殊部位面层配筋图、路面分块示意图和计算示例。设计人员可以直接选用,施工人员可照图施工。
15MR202城市道路-水泥混凝土路面图集目录
目录1
总说明2
快速路路面典型结构图表10
主干路路面典型结构图表14
次干路路面典型结构图表18
支路路面典型结构图表20
直线路段接缝平面布置示意图22
曲线路段接缝平面布置示意图23
纵向接缝构造图24
横向施工缝构造图25
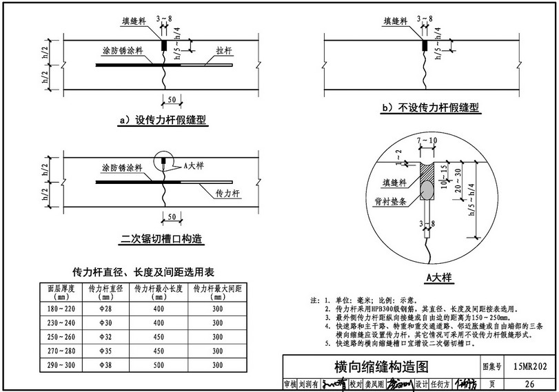
横向缩缝构造图26
胀缝构造图27
边缘钢筋布置图29
角隅钢筋布置图30
箱形构筑物横穿道路处面层配筋图31
圆形管状构筑物横穿道路处面层配筋图33
公交车停靠站处面层配筋图34
平算式雨水口处面层配筋图35
砖砌圆形检查井处面层配筋图38
砖砌方形检查井处面层配筋图40
桥头水泥混凝土路面面层配筋图43
隧道洞口水泥混凝土路面面层配筋图45
水泥混凝土路面与沥青路面衔接构造图46
Y型交叉口路面分块示意图47
十字交叉口(正交)路面分块示意图48
环形交叉口路面分块示意图49
面板厚度计算示例
15MR202城市道路-水泥混凝土路面图集预览





- PC官方版
- 安卓官方手机版
- IOS官方手机版
















陕09j01建筑用料以及做法PDF电子版
19dx101-1建筑电气常用数据2019PDF版





10S505柔性接口给水管道支墩图集pdf格式高清
12K404地面辐射供暖系统施工安装图集pdf高清
建筑工程绿色施工规范GB/T 50905-2014pdf电
11BS4排水工程图集(建筑设备施工安装通用图
05SS904民用建筑工程设计常见问题分析及图示
GB50164-2011混凝土质量控制标准规范pdf格式
11SG102-3钢吊车梁系统设计图平面表示方法和