不管做什么都有有自己的标准,特别是建筑行业,那么关于太阳能热水系统安装的最新建筑图集是怎么样的呢?东坡小编带来的这份15S128太阳能集中热水系统选用与安装图集,就可以完美地为你回答这个问题,快来点击下方的下载地址下载,你就能够把这个标准的图集抱回家。
15S128太阳能集中热水系统选用与安装图集内容介绍
本图集为修编图集, 替代06SS128《太阳能集中热水系统选用与安装》。图集基本解决了现在太阳能应用中普遍存在的技术问题。明确了太阳能集中热水系统的形式与适用范围,编制了比较成熟的太阳能集中热水系统示意图,并配以控制要求,对于更好地贯彻节能方针、引导和规范太阳能技术的推广和应用,将起到积极作用。图集技术指导部分,设计人员可根据工程的实际情况参考使用,施工详图部分设计人员可直接选用,施工人员可直接按图施工。
图集适用于新建、改建、扩建的民用与工业建筑中常用太阳能生活热水系统的选用与太阳能生活热水系统中集热系统的设计与安装;图集不适用于贮热水箱容量小于600升的太阳能热水器的选用与安装,贮热水箱容量小于600升的太阳能热水器的选用与安装详见08S126《热水器选用及安装》。
主要内容包括太阳能集中热水系统的形式与适用范围;常用太阳能集中热水系统示意图和控制要求;太阳能集热器的技术要求、连接和安装详图;特殊配件的安装详图;建筑做法;辅助热源的设置原则等。
15S128太阳能集中热水系统选用与安装图集预览



15S128太阳能集中热水系统选用与安装图集目录
目录1
总说明3
系统示意图
图例16
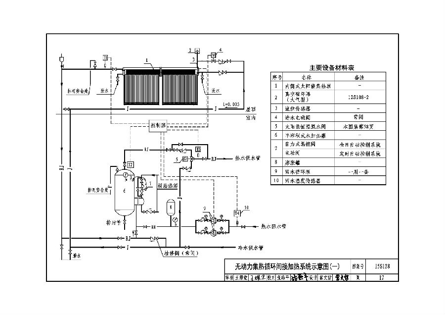
无动力集热循环间接加热系统示意图(一)17
无动力集热循环间接加热系统示意图(二)19
自然循环单水箱直接加热系统示意图21
强制循环双水箱直接加热系统示意图22
强制循环水箱+水罐直接加热系统示意图24
强制循环板换+水箱+水罐间接加热系统示意图26
强制循环水箱+水罐间接加热系统示意图28
强制循环双水罐直接加热系统示意图30
强制循环板换+双水罐板换间接加热系统示意图32
强制循环双水罐间接加热系统示意图34
强制循环单水箱直接加热系统示意图(变水位)36
强制循环单水箱直接加热系统示意图(恒水位)38
强制循环单水箱直接加热系统示意图(排回防冻)40
集中集热集中贮热分散辅热太阳能热水系统示意图(一)42
集中集热集中贮热分散辅热太阳能热水系统示意图(二)43
集中集热集中贮热分散辅热太阳能热水系统示意图(三)44
集中集热集中贮热分散辅热太阳能热水系统示意图(四)45
集中集热分散贮热分散辅热太阳能热水系统示意图46
集中太阳能热水系统示意图47
太阳能集热器技术要求
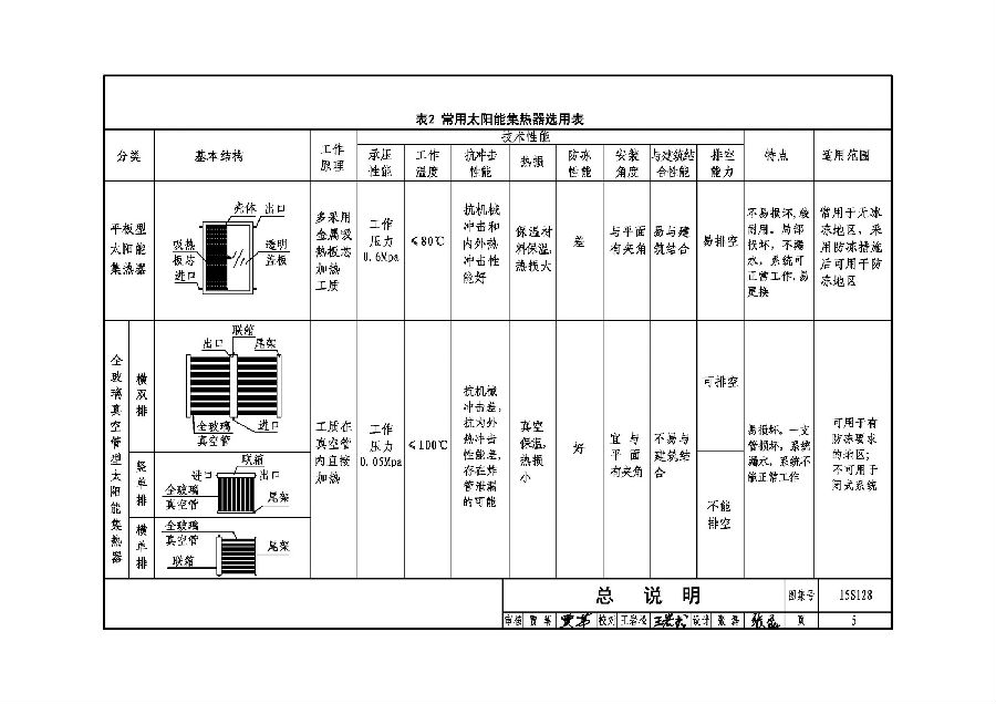
平板型太阳能集热器技术要求(一)48
平板型太阳能集热器技术要求(二)49
真空管型太阳能集热器技术要求(一)50
真空管型太阳能集热器技术要求(二)51
太阳能集热器连接
平板型太阳能集热器常用连接示意图52
真空管型太阳能集热器常用连接示意图53
太阳能集热器同程连接示意图54
太阳能集热器异程连接示意图55
太阳能集热器卡箍式连接和金属波纹管螺纹连接示意图56
太阳能集热器卡套式连接示意图57
配件详图
太阳能恒温混水阀58
恒温连接组件Ⅰ型59
恒温连接组件Ⅱ型60
恒温连接组件安装示意图61
太阳能建筑图
平屋面集热器安装图62
平屋面集热器安装①-④基座详图63
平屋面集热器安装⑤-⑧基座详图64
嵌入式瓦屋面集热器安装详图65
架空式瓦屋面集热器安装详图(一)66
架空式瓦屋面集热器安装详图(二)67
油毡瓦屋面集热器安装详图68
预埋件详图69
管道穿平屋面及管道井详图70
管道穿坡屋面详图71
坡屋面管道井详图72
附录
附录一 平均日热水用水定额73
附录二 “αs、γ0”的计算74
附录三 计算示例75
附录四 主要城市各月设计用气象参数77
附录五 主要城市太阳能集热器面积补偿比
- PC官方版
- 安卓官方手机版
- IOS官方手机版









假的
19dx101-1建筑电气常用数据2019PDF版





10S505柔性接口给水管道支墩图集pdf格式高清
12K404地面辐射供暖系统施工安装图集pdf高清
建筑工程绿色施工规范GB/T 50905-2014pdf电
11BS4排水工程图集(建筑设备施工安装通用图
05SS904民用建筑工程设计常见问题分析及图示
GB50164-2011混凝土质量控制标准规范pdf格式
11SG102-3钢吊车梁系统设计图平面表示方法和