05MR202城市道路(水泥混凝土路面)图集是一份适用于城镇各类新建、扩建和改建的快速路、主干路、次干路及支路的普通水泥混泥土路面施工图设计的参考图集,另外,居住区道路的施工图设计也可参照本图集使用,该图集一般被简称为05mr202图集,东坡小编在本节内容中和大家分享的这份05mr202图集由39页组成,内容完整、字迹清晰,是一份优质图集,需要这份图集的朋友就不要犹豫了,赶紧来下载吧!
05mr202图集目录
目录1
总说明3
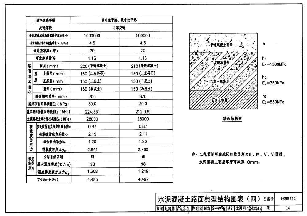
水泥混凝土路面典型结构图表(一)~(六)11
水泥混凝土路面接缝平面布置示意图17
水泥混凝土路面纵向接缝构造图18
水泥混凝土路面横向施工缝构造图19
水泥混凝土路面横向缩缝构造图20
水泥混凝土路面胀缝构造图21
水泥混凝土路面边缘钢筋布置图22
水泥混凝土路面角隅钢筋布置图23
箱形构筑物横穿道路处水泥混凝土路面面层配筋图(Z≤400mm)24
箱形构筑物横穿道路处水泥混凝土路面面层配筋图(400mm<Z≤1200mm)25
圆形管状构筑物横穿道路处水泥混凝土路面面层配筋图(Z≤1200mm)26
平箅式雨水口处面层配筋图27
砖砌圆形检查井处面层配筋图28
桥头水泥混凝土路面面层配筋图(有搭板)29
隧道洞口水泥混凝土路面面层配筋图30
水泥混凝土路面与沥青路面衔接构造图31
Y型交叉口水泥混凝土路面分块示意图32
十字交叉口(正交)水泥混凝土路面分块示意图33
环行交叉口水泥混凝土路面分块示意图34
水泥混凝土面板厚度计算示例35
05mr202图集样张





- PC官方版
- 安卓官方手机版
- IOS官方手机版















陕09j01建筑用料以及做法PDF电子版
19dx101-1建筑电气常用数据2019PDF版





10S505柔性接口给水管道支墩图集pdf格式高清
12K404地面辐射供暖系统施工安装图集pdf高清
建筑工程绿色施工规范GB/T 50905-2014pdf电
11BS4排水工程图集(建筑设备施工安装通用图
05SS904民用建筑工程设计常见问题分析及图示
GB50164-2011混凝土质量控制标准规范pdf格式
11SG102-3钢吊车梁系统设计图平面表示方法和