本节内容东坡小编为大家整理带来的是道路图集之05MR203城市道路(人行道铺砌)图集(以下简称05mr203图集),该图集除了适用于我国城镇各类新建、扩建和改建的快速路、主干路、次干路、支路的人行道与步行街施工图设计外,居住区道路也可参照使用。点击本文相应的下载地址进行下载后,你将会获得一份pdf格式超清电子版05mr203图集,图集内容完整免费,欢迎有需要的朋友前来下载!
05mr203图集内容简介
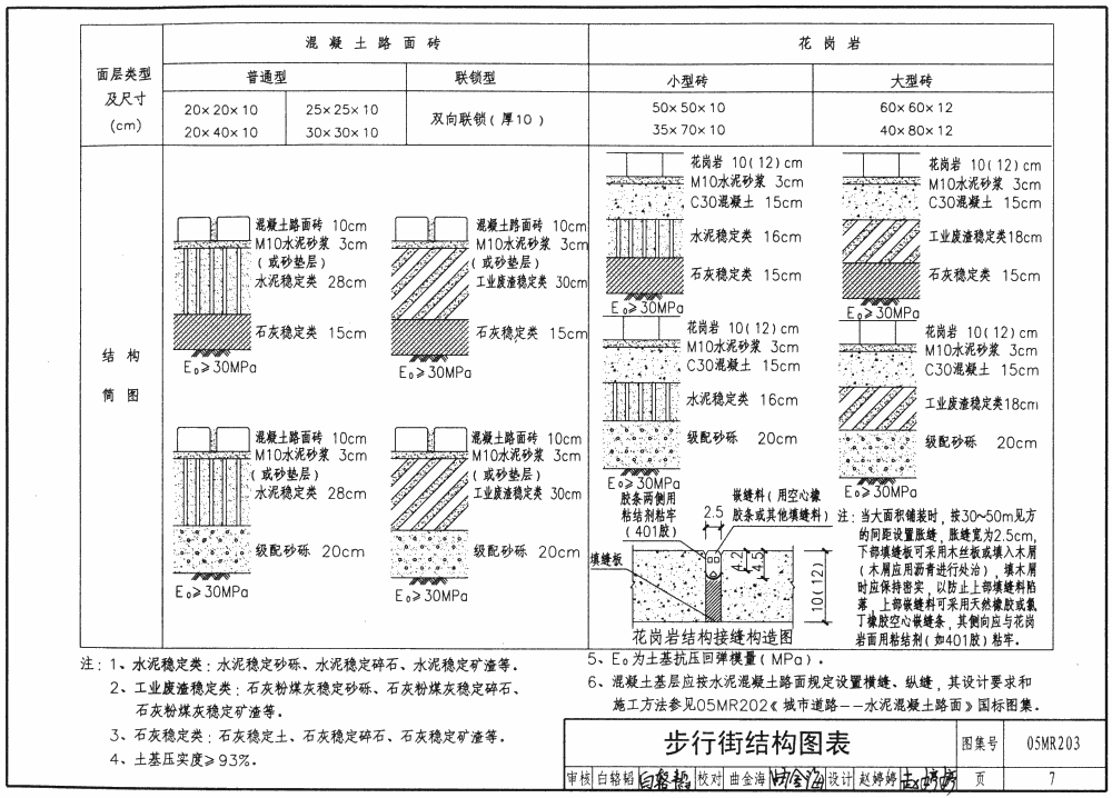
主要内容:包括城市道路人行道与步行街的路面结构设计图,面层砌块铺装大样图,树池边框构件图,树池内盖详图等。
特点:本册图集依据国家现行标准规范,并结合城市道路特点阐明人行道与步行街不同路面结构的适用条件、不同面层砌块的铺装要求,以及路用材料的设计选用等。
05mr203图集目录
目录1
总说明2
路侧带配置示意图4
人行道结构图表(无停车)5
人行道结构图表(有停车)6
步行街结构图表7
树池布置图(一)~(二)8
钢筋混凝土树池边框(一)10
树池边框(一)钢筋材料表11
钢筋混凝土树池边框(二)12
树池边框(二)钢筋材料表13
花岗岩树池边框(一)~(二)14
树池内盖(一)~(三)16
砌块砖铺装样式(一)~(二)19
05mr203图集样张





网友推荐
- PC官方版
- 安卓官方手机版
- IOS官方手机版















陕09j01建筑用料以及做法PDF电子版
19dx101-1建筑电气常用数据2019PDF版





10S505柔性接口给水管道支墩图集pdf格式高清
12K404地面辐射供暖系统施工安装图集pdf高清
建筑工程绿色施工规范GB/T 50905-2014pdf电
11BS4排水工程图集(建筑设备施工安装通用图
05SS904民用建筑工程设计常见问题分析及图示
GB50164-2011混凝土质量控制标准规范pdf格式
11SG102-3钢吊车梁系统设计图平面表示方法和