07K505洁净手术部和医用气体设计与安装图集(以下简称07k505图集),该图集适用于医院建筑中洁净手术部的空调、通风系统和医院医用气体系统的设计与安装。在本节内容中东坡小编为大家整理带来的是一份pdf高清晰电子版且完全免费的07k505图集,需要这份图集的朋友们只需点击本文相应的下载地址进行下即可!
07k505图集内容简介
本图集主要内容包括说明;手术部各种空调系统平面图和流程图;Ⅰ~Ⅳ级手术室净化空调系统典型设计示例;常用净化设备设计选用;洁净手术部的施工与安装;医用气体站房设计示例;医用气体用量及管径计算表;手术部、ICU医用气体系统设计示例;洁净手术部工程示例等。本图集的编制内容全面,面向建筑工程设计、施工、监理等人员,适用面广。
07k505图集目录
目录 1
编制说明 5
图例 8
洁净手术部设计与建设标准 10
洁净手术部空调、新风系统设计要求 16
洁净手术部空调系统设计要求 20
洁净手术部空调新风设计要求 21
新风分散处理空调系统流程图(一) 22
新风分散处理空调系统流程图(二) 23
新风分散处理空调系统流程图(三) 24
新风集中处理空调系统流程图(一) 25
新风集中处理空调系统流程图(二) 26
洁净手术部净化空调设计示例 27
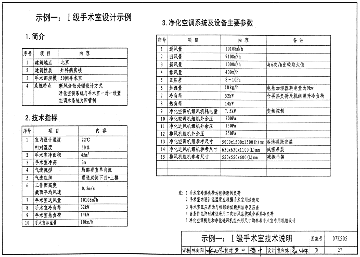
示例一:Ⅰ级手术室技术说明 27
示例一:Ⅰ级手术室净化空调及排风系统流程图 28
示例一:Ⅰ级手术室平面图 29
示例一:Ⅰ级手术室送风、回风、排风示意图 30
示例二:Ⅰ级手术室(眼科专用)技术说明 31
示例二:Ⅰ级手术室(眼科专用)平面图 32
示例三:Ⅱ级手术室技术说明 33
示例三:Ⅱ级手术室净化空调及排风系统流程图 34
示例三:Ⅱ级手术室平面图 35
示例三:Ⅱ级手术室送风、回风、排风示意图 36
示例四:Ⅲ级手术室技术说明 37
示例四:Ⅲ级手术室净化空调及排风系统流程图 38
示例四:Ⅲ级手术室平面图 39
示例四:Ⅲ级手术室送风、回风、排风示意图 40
示例五:Ⅲ级负压手术室技术说明 41
示例五:Ⅲ级负压手术室净化空调及排风系统流程图 42
示例五:Ⅲ级负压手术室平面图 43
示例六:Ⅲ级产科手术室技术说明 44
示例六:Ⅲ级产科手术室平面图 45
示例七:Ⅳ级手术室技术说明 46
示例七:Ⅳ级手术室净化空调及排风系统流程图 47
示例七:Ⅳ级手术室平面图 48
示例七:Ⅳ级手术室送风、回风、排风示意图 49
示例八:Ⅲ级洁净辅助区技术说明 50
示例八:Ⅲ级洁净辅助区净化空调及排风系统流程图 51
示例八:Ⅲ级洁净辅助区平面图 52
示例九:Ⅳ级清洁辅助区技术说明 53
示例九:Ⅳ级清洁辅助区净化空调及排风系统流程图 54
示例九:Ⅳ级清洁辅助区平面图 55
洁净手术部净化空调设计工程实例 56
实例一:Ⅰ级手术室设计工程实例 56
实例二:洁净手术部设计工程实例技术说明 69
实例二:洁净手术部净化空调系统图(一) 71
实例二:洁净手术部净化空调系统图(二) 72
实例二:洁净手术部净化空调系统图(三) 73
实例二:洁净手术部净化空调系统图(四) 74
实例二:洁净手术部空调风管平面图 75
实例二:洁净手术部排风排烟平面图 76
实例二:洁净手术部设备夹层风管平面图 77
实例二:洁净手术部设备夹层水管平面图 78
实例二:洁净手术部更衣室空调风管平面图 79
实例三:洁净手术部设计工程实例 80
洁净手术部空调设备控制系统图 83
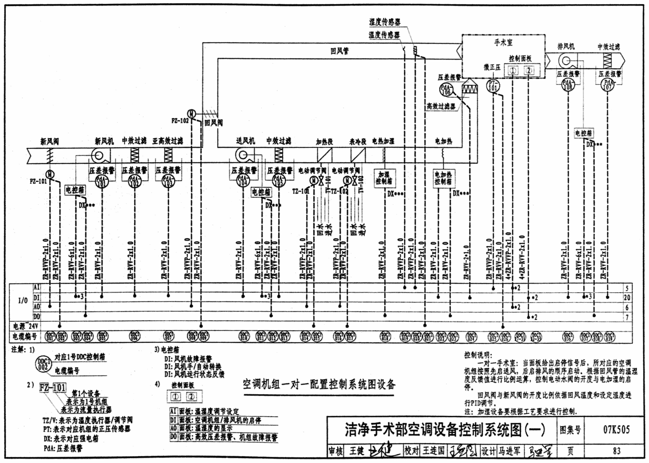
洁净手术部空调设备控制系统图(一) 83
洁净手术部空调设备控制系统图(二) 84
洁净手术部空调设备控制系统图(三) 85
洁净手术部的施工安装及工程验收 86
洁净手术部施工安装及工程验收说明 86
高效过滤器送风口安装大样图 87
手术室电气系统接地做法 88
手术室电气系统接地示意图 89
手术部刷手池安装 90
洁净手术部医用气体设计示例 91
示例一:手术部医用气体设计示例 91
示例二:手术部、ICU医用气体系统设计示例 93
示例三:手术室医用气体管道设计示例 94
示例四:ICU医用气体管道设计示例 95
示例五:手术部麻醉准备室医用气体设计示例 96
示例六:手术部麻醉恢复室医用气体设计示例 97
示例七:氮气、笑气、二氧化碳、氦气、氩气汇流排间设计示例技术说明 98
示例七:氮气、笑气、二氧化碳、氦气、氩气汇流排间设备及管道平面图 99
示例七:氮气、笑气、二氧化碳、氦气、氩气汇流排系统轴测图 100
示例八:氧气汇流排间设备及管道平面图 101
示例八:氧气汇流排系统轴测图 102
示例九:制氧站(2×10m3/h)设计示例技术说明 103
示例九:制氧站(2×10m3/h)工艺平面图 104
示例九:制氧系统(2×10m3/h)轴测图 105
示例十:制氧站(3×20m3/h)设计示例技术说明 106
示例十:制氧站(3×20m3/h)工艺平面图 107
示例十:制氧系统(3×20m3/h)轴测图 108
示例十一:液氧站设计示例技术说明 109
示例十一:液氧站设备及管道平面图 110
示例十一:液氧系统轴测图 111
示例十二:水环式真空泵站设计示例技术说明 112
示例十二:水环式真空泵系统工艺流程图 113
示例十二:水环式真空泵站工艺平面图 114
示例十二:水环式真空泵系统轴测图 115
示例十二:水环式真空泵站循环水系统图 116
示例十三:压缩空气站设计示例技术说明 117
示例十三:压缩空气系统工艺流程图 118
示例十三:压缩空气站工艺平面图 119
示例十三:压缩空气系统轴测图 120
示例十三:压缩空气站剖面图 121
示例十四:油环式真空泵站设计示例技术说明 122
示例十四:油环式真空泵系统工艺流程图 123
示例十四:油环式真空泵站工艺平面图 124
示例十四:油环式真空泵系统轴测图 125
洁净手术部医用气体设计工程实例 126
实例一:洁净手术部医用气体设计工程实例 126
实例二:手术部、ICU医用气体系统设计实例 128
医用气体设计施工说明 129
常用医用气体参数选用表 133
氧气管计算表 133
压缩空气管计算表 135
真空吸引管计算表 137
氧化亚氮(笑气)、二氧化碳气管计算表 139
氮气、氩气计算表 140
手术部附属建筑设备设计选用说明 141
相关技术资料 145
07k505图集样张







- PC官方版
- 安卓官方手机版
- IOS官方手机版















陕09j01建筑用料以及做法PDF电子版
19dx101-1建筑电气常用数据2019PDF版





10S505柔性接口给水管道支墩图集pdf格式高清
12K404地面辐射供暖系统施工安装图集pdf高清
建筑工程绿色施工规范GB/T 50905-2014pdf电
11BS4排水工程图集(建筑设备施工安装通用图
05SS904民用建筑工程设计常见问题分析及图示
GB50164-2011混凝土质量控制标准规范pdf格式
11SG102-3钢吊车梁系统设计图平面表示方法和