04S407-2建筑给水金属管道安装(薄壁不锈钢管)图集,一般被简称为04s4072图集。点击本文相应的下载地址进行下载后,你将会获得一份pdf格式清晰电子版04s4072图集,该04s4072图集由68页组成,图集内容完整无水印,适合作为参考图集使用,有需要的朋友们快来东坡下载吧!
04s4072图集适用范围和编制内容介绍
图集适用于新建、改建、扩建的民用与工业建筑生活给水系统。管材公称压力不大于1.6Mpa;公称直径DN15~DN200;温度不高于100℃,不低于-10℃(采用橡胶圈密封时)。
总说明中介绍了薄壁不锈钢管的设计和施工要点。
管材的化学成份、性能指标和规格尺寸;密封圈的性能和尺寸;各种接头方式的施工步骤;管道安装节点详图;专用支吊架和温度补偿装置及安装;各种管件规格尺寸。
04s4072图集目录
总说明
薄壁不锈钢管材料性能
薄壁不锈钢管材(一~二)
塑覆薄壁不锈钢管材
密封圈尺寸和性能(一~二)
卡压式管道安装
环压式管道安装
承插氩弧焊式管道安装
压缩式管道安装
对接氩弧焊式管道安装
活接式管道安装
活接法兰式管道安装
法兰氩弧焊式管道安装
卡箍法兰式管道安装
沟槽式管道安装
水嘴、角阀、自闭式冲洗阀安装
卧式分户水表安装
卧式水表嵌墙或管道井安装
立式水表明装或管道井安装
管道穿墙体、池壁安装
管道穿楼板、屋面安装
活动支架配件
固定支架安装(一~二)
管道自然补偿安装
不锈钢波形膨胀节安装(一~二)
不锈钢线性温度补偿器
卡压式管件承口
卡压式管件(一~六)
环压式管件承口
环压式管件(一~五)
承插氩弧焊式管件承口
承插氩弧焊式管件(一~四)
压缩式管件承口
压缩式管件(一~四)
对接氩弧焊式管件
活接式管件(一~五)
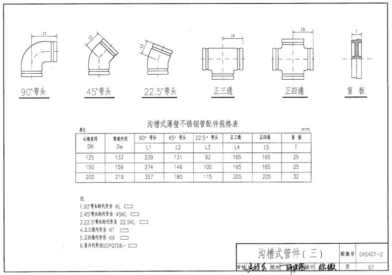
沟槽式管件(一~三)
04s4072图集样张




- PC官方版
- 安卓官方手机版
- IOS官方手机版















陕09j01建筑用料以及做法PDF电子版
19dx101-1建筑电气常用数据2019PDF版





10S505柔性接口给水管道支墩图集pdf格式高清
12K404地面辐射供暖系统施工安装图集pdf高清
建筑工程绿色施工规范GB/T 50905-2014pdf电
11BS4排水工程图集(建筑设备施工安装通用图
05SS904民用建筑工程设计常见问题分析及图示
GB50164-2011混凝土质量控制标准规范pdf格式
11SG102-3钢吊车梁系统设计图平面表示方法和