03SG715-1蒸压轻质加气混凝土板(NALC)构造详图是一份适用于蒸压加气混凝土墙板与结构构件的连接构造的参考图集,一般被简称为03sg7151图集。本节内容东坡小编为大家推荐带来的是一份pdf格式完整高清版03sg7151图集,以下是关于该图集的相关介绍,另外,如果你需要这份图集作为参考资料的话,点击本文相应的下载地址进行下载即可!
03sg7151图集目录
说明
板与钢结构连接构造
外墙板竖装立面索引
外墙板竖装时与基础连接构造
外墙板竖装时与框架梁连接构造
外墙板竖装阳角处与框架梁连接构造
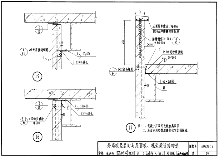
外墙板竖装时与屋面板、框架梁连接构造
外墙板竖装女儿墙与框架梁连接构造
外墙板横装立面索引
外墙板横装时与基础连接构造
外墙板横装时与框架柱连接构造
外墙板横装阳角处与框架柱连接构造
外墙板横装、女儿墙、檐口处与框架柱连接构造
竖装外墙板洞口加固构造
横装外墙板洞口加固构造
外墙板洞口加固钢材选用表
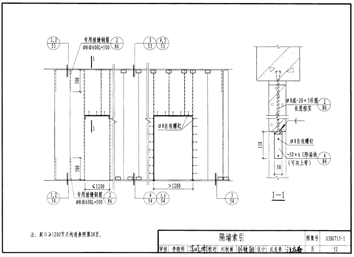
隔墙索引
隔墙板顶与主体结构连接构造
隔墙板底与主体结构连接构造
隔墙板底、侧与主体结构连接构造
屋面索引示意
屋面板与主体结构连接构造
坡屋面构造
阳台详图
雨篷详图
板与钢筋混凝土结构连接构造
外墙板竖装立面索引
外墙板竖装时与基础连接构造
外墙板竖装时与框架梁连接构造
外墙板横装立面索引
外墙板横装时与框架柱连接构造
隔墙索引
隔墙板顶与主体结构连接构造
隔墙板底与主体结构连接构造
屋面索引
屋面板与主体结构连接构造
平屋面女儿墙构造
坡屋面构造
建筑构造
外墙板底做法
外墙面及板缝做法
隔墙面及板缝做法
隔墙顶缝、底缝
窗框安装图
门框安装
屋面排水
屋顶变形缝大样
坡屋面大样
横装板屋面女儿墙柱防护
铁架、挂钩、吊柜安装大样
墙上重物安装
板应用
板应用说明、S50板内外墙自钻螺钉构造法
板内外墙自钻螺钉构造法
板坡屋面索引
板坡屋面与主体结构连接构造
板外墙、隔墙防火构造
板钢柱防火构造
板钢梁防火构造
板外墙保温隔热做法
金属配件
金属配件
附录
板规格表一
板规格表二
外墙板断面及配筋
隔墙板、屋面板断面及配筋
板性能检测报告汇总表
节点强度试验汇总表、连接件强度试验汇总表
板安装辅材检测性能表
03sg7151图集样张





- PC官方版
- 安卓官方手机版
- IOS官方手机版















陕09j01建筑用料以及做法PDF电子版
19dx101-1建筑电气常用数据2019PDF版





10S505柔性接口给水管道支墩图集pdf格式高清
12K404地面辐射供暖系统施工安装图集pdf高清
建筑工程绿色施工规范GB/T 50905-2014pdf电
11BS4排水工程图集(建筑设备施工安装通用图
05SS904民用建筑工程设计常见问题分析及图示
GB50164-2011混凝土质量控制标准规范pdf格式
11SG102-3钢吊车梁系统设计图平面表示方法和