点击本文相应的下载地址进行下载后你将会获得一份pdf清晰影印版且内容完整免费的10sg533图集(全称为10SG533钢抗风柱图集)——这是一份国家建筑标准设计图集,它适用非地震区及地震设防烈度小于等于9度地区的一般中轻型单层工业厂房,基本风压线荷载为2.4kN/m~8.1kN/m。如果你需要一份10sg533图集作为参考资料的话,那就赶紧来东坡下载站进行下载吧!
10sg533图集内容简介
该图集提供的山墙抗风柱为由三块钢板焊成的工字形截面钢抗风柱,山墙墙体宜采用轻质墙板和小型砌块。图集内容包括总说明、抗风柱选用表、抗风柱布置图、安装节点图、抗风柱上柱高度表、柱脚底板详图、抗风柱详图、系杆详图、钢构造柱详图、抗风柱设计参数及附录等。
抗风柱是单层工业厂房山墙处的结构组成构件,本图集是单层工业厂房设计选用系列国标图集中的新成员。设计人员在进行单层工业厂房设计时,可根据厂房的跨度和使用要求确定抗风柱柱距和下柱高度,再根据厂房的屋架型式,确定抗风柱的上柱高度。根据厂房所处地区的基本风压、抗风柱的受风从属面积及抗风柱高度确定基本风压(线荷载),在本图集中确定适合的抗风柱编号。施工人员可根据此编号按照本图集的相关要求直接进行施工。
10sg533图集目录
目录1
总说明2
抗风柱选用表8
抗风柱布置图32
屋架跨度、抗风柱根数37
安装节点图38
屋架端部外包尺寸50
抗风柱上柱高度H251
柱脚底板DB1、DB2a~DB2c详图57
柱脚底板DB3a、DB3b、DB4详图58
柱脚底板DB5a、DB5b、DB6a、DB6b详图59
柱脚底板DB7、DB8详图60
柱脚底板DB9a、DB9b、DB10a、DB10b详图61
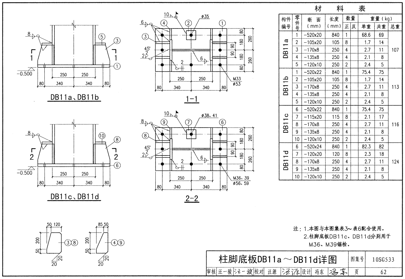
柱脚底板DB11a~DB11d详图62
柱脚底板DB12、DB13a、DB13b详图63
柱脚底板DB13c~DB13f 详图64
柱脚底板DB14a~DB14c、DB15详图65
柱脚底板DB16a~DB16d、DB17详图66
柱脚底板DB18、DB19a、DB19b详图67
柱脚底板DB20、DB21a、DB21b详图68
柱脚示意图69
锚栓选用表70
抗风柱尺寸代号图(等截面柱、外露式柱脚)71
抗风柱尺寸代号图(单阶柱、外露式柱脚)72
抗风柱尺寸代号图(单阶柱、插入式柱脚)73
GFZ7-1x-2详图(等截面柱、外露式柱脚)74
GFZ11-2x-4详图(单阶柱、外露式柱脚)75
GFZ9-2x-3详图(单阶柱、插入式柱脚)76
系杆XG1、XG1a~XG4、XG4a详图77
钢构造柱GGZ详图78
抗风柱设计参数79
柱脚锚栓固定支架80
附录1 抗风柱抗震计算81
附录2 抗风柱柱脚铰接示意图82
10sg533图集样张







- PC官方版
- 安卓官方手机版
- IOS官方手机版















陕09j01建筑用料以及做法PDF电子版
19dx101-1建筑电气常用数据2019PDF版





10S505柔性接口给水管道支墩图集pdf格式高清
12K404地面辐射供暖系统施工安装图集pdf高清
建筑工程绿色施工规范GB/T 50905-2014pdf电
11BS4排水工程图集(建筑设备施工安装通用图
05SS904民用建筑工程设计常见问题分析及图示
GB50164-2011混凝土质量控制标准规范pdf格式
11SG102-3钢吊车梁系统设计图平面表示方法和