90D370交流380伏鼠笼型电动机控制原理图图集,通常被简称为90d370图集。本图集为传动装置用的交流380伏鼠笼型异步电动机常用控制原理图。适用于普通风机,水泵,工艺泵及阀门等配用的电动机。本节内容东坡小编为大家整理带来的这份90d370图集由319页组成,图集分为上下两册,如果你需要一份pdf格式完整高清免费电子版90d370图集,那就赶紧点击本文相应的下载地址来进行下载吧!
90d370图集相关介绍

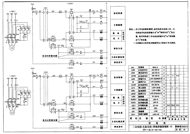
一、图中有关符号介绍:
左图为电动机的交流电源部分:
上边是三相交流电源;
1C--交流接触器
1RJ---热电偶,当电机过负荷时会动作;
1D---电动机
右图为电动机的控制回路:
1RD---控制回路熔断器;1XZK----操作方式选择开关(可选择就地或远方);
1TA---手动分闸按钮;1QA--手动启动按钮;1ZJ、2ZJ、3ZJ--中间继电器;1JHD--就地合闸灯;1YHD---远方合闸灯;1KK、2KK、3KK---#1、2、3电动机控制开关;XK---连锁选择开关;
1SJ----时间继电器;1UD---#1电机故障跳闸灯;1BD---自投电源监视灯;
二、具体操作控制说明:
从图中可以看出这组设备有三台,且互相之间有连锁关系,也就是说这是一组重要设备,一台跳闸,根据选择可以有备用设备自动投入。下面具体解释一下:
该电机可以就地或远方操作;
就地启动:将1XZK切到就地位置,按1QA启动按钮,此时1RJ闭接点在合位,启动1ZJ,1ZJ励磁后接点闭合,1C接触器励磁使电机启动,1JHD、1YHD电机启动灯亮。
就地停止:1XZK在就地位置,按1TA手动分闸按钮,切断1ZJ励磁回路使1C接触器失磁电动机停止。
电机远方启动:将1XZK切到远方位置,向合闸方向(一般右侧45度)扭动1KK;此时1RJ闭接点在合位,启动1ZJ,1ZJ励磁后接点闭合,1C接触器励磁使电机启动,1JHD、1YHD电机启动灯亮。
远方停止:1XZK在远方位置,向分闸方向(一般左侧45度)扭动1KK;切断1ZJ励磁回路使1C接触器失磁电动机停止。
当电动机故障跳闸如热偶动作使1ZJ失磁其闭接点闭合故障跳闸灯1UD亮。
当电机投入运行正常后还应将XK连锁选择开关投入规定位置(#2或#3电机侧),自投电源监视灯1BD亮;这样在#1电机故障跳闸后备用电机可以通过联动回路自动投入运行。具体回路见事故自投部分。
90d370图集样张





- PC官方版
- 安卓官方手机版
- IOS官方手机版













陕09j01建筑用料以及做法PDF电子版
19dx101-1建筑电气常用数据2019PDF版





10S505柔性接口给水管道支墩图集pdf格式高清
12K404地面辐射供暖系统施工安装图集pdf高清
建筑工程绿色施工规范GB/T 50905-2014pdf电
11BS4排水工程图集(建筑设备施工安装通用图
05SS904民用建筑工程设计常见问题分析及图示
GB50164-2011混凝土质量控制标准规范pdf格式
11SG102-3钢吊车梁系统设计图平面表示方法和