09DX009电子信息系统机房工程设计与安装图集,一般本简称为09dx009图集,该图集适用于电子信息系统机房的设计、施工和检测。本图集编制了电子信息系统机房的分级、分区、设备布置等,本节内容小编为大家整理带来的是一份pdf格式高清电子版09dx009电子信息系统机房工程设计与安装图集,如果你需要这份图集的话,点击本文相应的下载地址进行下载即可,以下是关于该图集的相关介绍,希望对大家有所帮助!
09dx009图集内容简介
本图集适用于电子信息系统机房的设计、施工和检测。本图集编制了电子信息系统机房的分级、分区、设备布置;机房供配电系统和接地系统的设计;电磁屏蔽室的做法、机房布线、监控、火灾报警系统及灭火系统的设置;机房建筑、结构、空调、给排水专业的要求及做法;机房工程示例等。图集以电气专业为主,涉及建筑、空调等专业的专项设计,可指导从事机房工程的人员对国家规范的理解和应用,确保电子信息系统安全、稳定、可靠地运行。
09dx009图集目录
目录1
编制说明4
图形及文字符号5
术语6
电子信息系统机房分级标准7
机房组成示意图8
建筑、结构要求9
机房供配电
机房供电系统说明10
A级机房供电系统框图11
A级机房供电系统图说明(10kV柴油发电机组)12
A级机房供电系统图(10kV柴油发电机组)13
A级机房供电系统图说明(0.4kV柴油发电机组)14
A级机房供电系统图(0.4kV柴油发电机组)15
A级机房供电系统图(0.4kV市电电源)16
A级机房UPS供电系统图(UPS模块化并联)17
A级机房UPS供电系统图(UPS带集中旁路)18
A级机房UPS供电系统图(UPS带手动旁路)19
B级机房供电系统图说明20
B级机房供电系统框图21
B级机房供电系统图(0.4kV市电)22
B级机房供电系统图(10kV市电)23
C级机房供电系统图24
UPS谐波治理方案25
利用隔离变压器降低零地电压原理图26
配电列头柜技术说明27
配电列头柜接线原理图28
配电列头柜盘面布置图29
接地
等电位联结示意图30
机房接地示意图(就近连接)31
机房接地示意图(集中连接)32
等电位联结网格安装图(铜箔)33
等电位联结网格安装图(编制铜带)34
等电位联结网格安装图(A、B节点详图)35
等电位联结网格安装图(C、D、E、F节点详图)36
接地线与各种金属管道的连接37
防静电地面的接地安装38
接地端子板节点详图39
机房监控
无人值守机房远程监控系统图40
KVM控制管理系统图41
机房变配电监控系统图42
机房早期烟雾报警系统布置图43
机房综合布线
A级机房布线结构图44
B级机房布线结构图45
C级机房布线结构图46
电磁屏蔽
电磁屏蔽室进线示意图47
电磁屏蔽室布置图48
焊接式电磁屏蔽室壳体组成图49
电磁屏蔽室内部装修图50
电磁屏蔽室龙骨安装图51
电磁屏蔽室地梁安装图52
电磁屏蔽室接地安装图53
消防波导管结构图54
光纤波导管结构图55
截止波导通风窗在电磁屏蔽壁板上安装56
滤波器在电磁屏蔽室顶板上安装57
滤波器在电磁屏蔽室侧板上安装58
空气调节
冷热通道气流组织示意图59
冷热通道气流组织立面示意图60
机房设备布置图(地板下送风)61
机房空调平面布置图-5kW机柜62
机房空调平面布置图-10kW机柜63
机房空调平面布置图-14kW机柜64
机房空调平面布置图30kW机柜65
机房专用空调器底座安装图66
消防
IG541灭火系统原理图67
预作用高压细水雾灭火系统原理图68
开式高压细水雾灭火系统原理图(选择阀分散设置)69
开式高压细水雾灭火系统原理图(选择阀集中设置)70
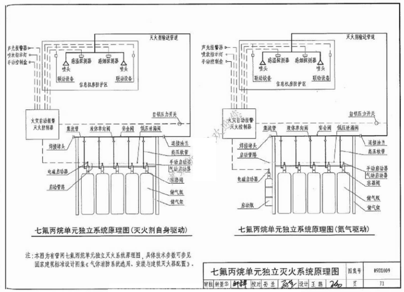
七氟丙烷单元独立灭火系统原理图71
七氟丙烷组合分配灭火系统原理图72
机房用洁净地漏结构图73
机房室内装修
微孔铝板吊顶施工示意图74
防静电活动地板安装图75
铝塑板墙面安装图76
机房设计示例
A级机房示例(设备布置图)77
A级机房示例(设备布置立面图)78
网格式桥架吊装和支架安装79
网格式桥架安装节点图80
网格式桥架在防静电活动地板下安装81
A级机房示例(配电列头柜)82
A级机房示例(供配电平面图)83
A级机房示例(网络机架电源插座布置图)84
A级机房示例(送风口布置图)85
A级机房示例(回风口布置图)86
B级机房示例(平面图)87
B级机房示例(设备布置)88
B级机房示例(供电系统图)89
B级机房示例(供电平面图)90
B级机房示例(照明布线图)91
B级机房示例(地板及送风口布置)92
B级机房示例(吊顶及回风口布置)93
B级机房示例(机房装饰)94
B级机房示例(接地铜网布置)95
B级机房示例(视频监视及通道控制系统框图)96
B级机房示例(视频监视及通道控制系统布线图)97
B级机房示例(火灾报警及控制系统布线图)98
附录
机房中用电设备电流谐波特性99
IGBT脉宽调制型UPS电源谐波特性100
6脉冲可控硅整流型UPS电流谐波特性101
12脉冲可控硅整流型UPS电流谐波特性102
相关技术资料
网格式桥架技术简介103
网格式桥架规格104
网格式桥架配件105
低压耐火电缆技术参数106
电子信息系统机房配电系统产品应用107
电子信息系统机房环境监控系统示意图108
屏蔽综合布线系统技术指标109
09dx009图集样张




- PC官方版
- 安卓官方手机版
- IOS官方手机版















陕09j01建筑用料以及做法PDF电子版
19dx101-1建筑电气常用数据2019PDF版





10S505柔性接口给水管道支墩图集pdf格式高清
12K404地面辐射供暖系统施工安装图集pdf高清
建筑工程绿色施工规范GB/T 50905-2014pdf电
11BS4排水工程图集(建筑设备施工安装通用图
05SS904民用建筑工程设计常见问题分析及图示
GB50164-2011混凝土质量控制标准规范pdf格式
11SG102-3钢吊车梁系统设计图平面表示方法和