95S124自控恒温装置图集,一般又被简称为95s124图集。该图集适用于公共浴室单管脚踏淋浴系统及其它需要恒温水的场所。本节内容小编为大家整理带来的是一份pdf格式清晰完整版95s124图集,图集共由15页组成,图集内容高清完整,是一份不可多得的优质图集,如果你需要这份95s124图集的话,点击本文相应的下载地址进行下载即可!以下是关于该图集的相关介绍,希望对你有所帮助!
95s124图集目录
目录1
说明2
重力式自控恒温装置选用表3
重力式自控恒温装置装配图4
恒温水箱配管图5
恒温水箱混合隔板加工图6
压力式自控恒温装置选用表7
压力式自控恒温装置(卧式)装配图8
压力式自控恒温装置安装典型图9
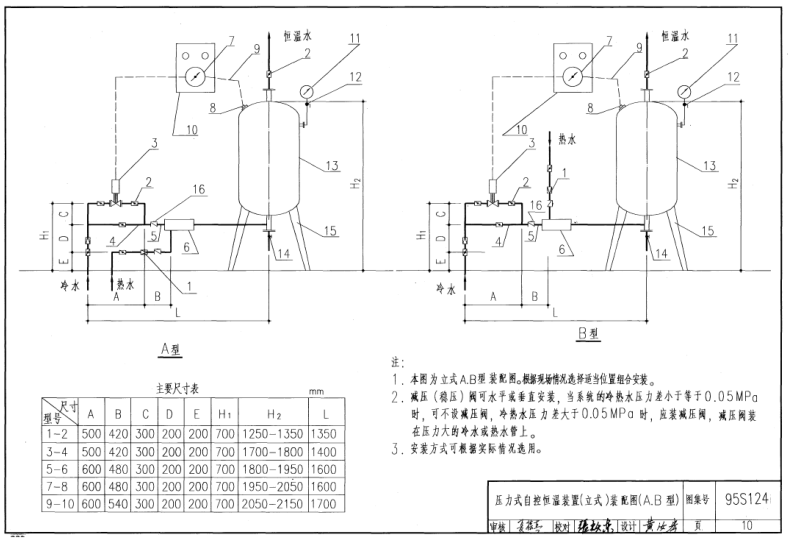
压力式自控恒温装置(立式)装配图(A、B型)10
压力式自控恒温装置(立式)装配图(C、D型)11
水—水混合器加工大样图12
卧式恒温罐加工图13
立式恒温罐加工图14
恒温控制箱电路图15
95s124图集样张




- PC官方版
- 安卓官方手机版
- IOS官方手机版










陕09j01建筑用料以及做法PDF电子版
19dx101-1建筑电气常用数据2019PDF版





10S505柔性接口给水管道支墩图集pdf格式高清
12K404地面辐射供暖系统施工安装图集pdf高清
建筑工程绿色施工规范GB/T 50905-2014pdf电
11BS4排水工程图集(建筑设备施工安装通用图
05SS904民用建筑工程设计常见问题分析及图示
GB50164-2011混凝土质量控制标准规范pdf格式
11SG102-3钢吊车梁系统设计图平面表示方法和