92X101-1架空通信线路和墙壁电缆的安装图集是一份适用于通信广播线路、配线设备及部分终端设备安装的图集。本节内容小编为大家整理带来的是一份pdf格式完整清晰版92x1011图集,该图集共有93页,如果你需要一个可以提供92x1011图集免费下载的地址,那就赶紧点击本文相应的下载地址进行下载吧!相信它不会让你失望的哦!
92x1011图集目录
目录1
说明4
架空通信线路杆形方案及组合示例6
线担面向示意图7
线担用穿钉在中间杆上的安装8
线担用穿钉在转直角杆上的安装9
双根线担用穿钉在电杆上的安装10
线担用抱箍在中间杆上的安装11
线担用抱箍在转直角杆上的安装12
双根线担在无穿钉孔电杆上的安装13
明线坡度杆和用户引入杆装设图14
电缆吊线在中间电杆上的装设15
多沟绝缘子装设图16
架空电缆在30度-45度斜坡上的吊挂17
避雷针和接地引下线在水泥电杆上的装设18
架空电缆终端杆安装图(一)19
架空电缆终端杆安装图(二)20
架空电缆和拉线防触碰保护21
落地拉线和高桩拉线装设图22
吊板拉线装设图23
拉线支撑24
撑杆装设图25
拉线上把在水泥电杆上的装设26
拉线中把的组装27
拉线下把的组装28
外角杆和坡度杆电缆吊线的加固29
架空电缆吊线的交叉30
架空电缆吊线的丁字分歧31
电缆吊线的终结和假终结32
架空电缆吊线的接续33
架空电缆的吊扎34
自承式电缆的架设方法(一)35
自承式电缆的架设方法(二)36
墙壁电缆(电线)的吊挂方式(一)37
墙壁电缆(电线)的吊挂方式(二)38
墙壁电缆吊线终端的固定方式39
卡钩式墙壁电缆的敷设方法40
卡钩式墙壁电缆与其它管线交叉的做法41
用户线的引入方法42
墙壁电缆引下靠近地面段的保护(一)43
墙壁电缆引下靠近地面段的保护(二)44
角钢线担和担夹45
撑脚,攀条及安装撑脚用角钢46
安装吊线用钢担及卡钩47
M形抱铁和自承式电缆安装件48
中间角钢墙担和终端墙担49
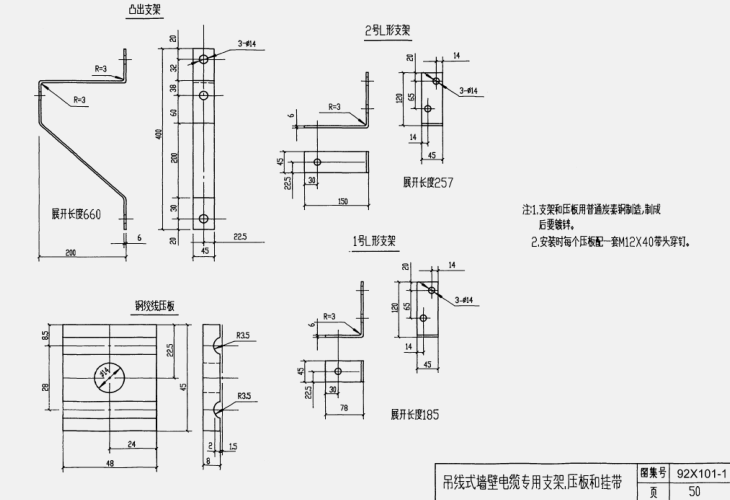
吊线式墙壁电缆专用支架,压板和挂带50
圆形抱箍组装图51
圆形抱箍零件图52
有眼穿钉,拉环,角钢拉攀和单眼地线夹板53
装担和卡盘用U形抱箍54
拉线地锚,双拉线用联板和U形挂环55
拉线盘56
底盘和卡盘57
室外电缆分线盒在电杆上的安装58
分线箱、站台及上杆抱箍在电杆上的安装59
室外电缆分线箱(盒)专用安装件60
小号分线箱站台组装图61
大号分线箱站台组装图62
室外交接箱及其站台在电杆上的安装63
交接箱站台64
横梁、垫铁、管梁和铁爬梯65
附录
国家标准钢筋混凝土电杆弯矩表66
邮电部标准钢筋混凝土电杆弯矩表67
水泥电杆埋深和各种高度断面直径68
架空通信线路及墙壁电缆与其他设施的间距69
钢筋混凝土电杆允许负荷及气象负荷区划分70
架空线路拉线程式选择表71
电缆吊线规格选择表72
拉线衬环和钢线卡子73
电缆挂钩74
穿钉、螺母及方垫片规格75
墙担、茶托钢板和三沟弯铁板76
角深与转角的换算77
架空明线垂度表78
架空电缆吊线垂度表79
自承式全塑电缆安装垂度表82
92x1011图集样张





- PC官方版
- 安卓官方手机版
- IOS官方手机版















陕09j01建筑用料以及做法PDF电子版
19dx101-1建筑电气常用数据2019PDF版





10S505柔性接口给水管道支墩图集pdf格式高清
12K404地面辐射供暖系统施工安装图集pdf高清
建筑工程绿色施工规范GB/T 50905-2014pdf电
11BS4排水工程图集(建筑设备施工安装通用图
05SS904民用建筑工程设计常见问题分析及图示
GB50164-2011混凝土质量控制标准规范pdf格式
11SG102-3钢吊车梁系统设计图平面表示方法和