03SS703-1建筑中水处理工程(一)图集,简称为03ss7031图集。该图集应用广泛,是一份非常实用的图集。本节内容小编和大家分享的是一份pdf高清无水印的03ss7031图集,该图集由99页组成,内容完整免费,欢迎有需要的朋友前来下载查阅!
03ss7031图集内容简介
5~100m3/h生物接触氧化,CASS法,混凝气浮—过滤,土地处理等四种中水处理工艺流程和典型平、剖面布置。
03ss7031图集目录
目录1
总说明3
生物接触氧化中水处理工艺
生物接触氧化处理工艺设计说明5
一段生物接触氧化工艺流程图(低噪声鼓风机加布气装置)7
一段生物接触氧化工艺流程图(潜水曝气机)8
二段生物接触氧化工艺流程图(低噪声鼓风机加布气装置)9
二段生物接触氧化工艺流程图(潜水曝气机)10
不同处理水量所需设备及建筑面积表(一段处理流程)11
不同处理水量所需设备及建筑面积表(二段处理流程)12
生物接触氧化工艺流程图管线规格表13
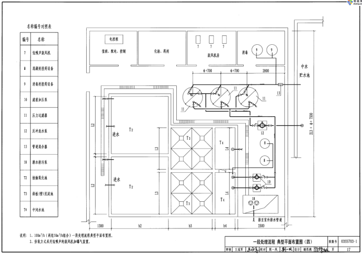
一段处理流程 典型平面布置图(一)、(二)14
一段处理流程 典型平面布置图(三)、(四)16
二段处理流程 典型平面布置图(一)、(二)18
二段处理流程 典型平面布置图(三)、(四)20
不同处理水量所需构筑物尺寸表(建筑净高4.5m)22
不同处理水量所需构筑物尺寸表(建筑净高5.4m)23
电气控制原理图及控制要求24
竖流式沉淀池工艺图25
斜板(管)沉淀池工艺图(一)26
斜板(管)沉淀池工艺图(二)及堰板制作安装图27
气浮-过滤中水处理工艺
气浮-过滤处理工艺设计说明28
气浮-过滤处理工艺流程图(微气泡发生器)31
气浮-过滤处理工艺流程图(溶气泵)32
气浮滤池处理工艺流程图33
设备表34
气浮-过滤工艺平面图36
气浮-过滤工艺剖面图37
气浮滤池工艺平面图38
气浮滤池工艺剖面图39
气浮-过滤工艺电气控制原理图40
气浮滤池工艺电气控制原理图41
周期循环活性污泥法(CASS)中水处理工艺
周期循环活性污泥法处理工艺设计说明42
周期循环活性污泥法工艺流程图44
设备表45
5~20m3/h底部工艺平面图47
5~20m3/h上部工艺平面图48
5~20m3/h剖面图(一)49
5~20m3/h剖面图(二)50
30~100m3/h底部工艺平面图51
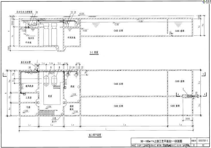
30~100m3/h上部工艺平面及1-1剖面图52
30~100m3/h剖面图53
5~20m3/h底部土建设计平剖面条件图54
5~20m3/h上部土建设计平剖面条件图55
5~20m3/h顶部土建设计平剖面条件图56
30~100m3/h底部土建设计平剖面条件图57
30~100m3/h上部土建设计平剖面条件图58
30~100m3/h顶部土建设计平剖面条件图59
LEGS型一体化净水器安装大样图60
毛管渗滤中水处理工艺
毛管渗滤处理工艺设计说明61
毛管渗滤处理工艺平面布置图及装置技术参数表63
毛管渗滤处理工艺构筑物表及装置平、剖面图64
毛管渗滤处理装置布管及构造图65
格栅井、配水井、进水阀门井大样图及工程数量表66
1-1剖面图67
格栅大样图68
集水井、出水阀门大样图及工程数量图69
1-1剖面图70
生物接触氧化一体化设备
HSZ、HSY型中水处理设备设计选用说明71
HSZ、HSY型中水处理设备平立面图73
WZSS接触氧化一体化设备选用说明74
WZSS接触氧化一体化设备75
设备安装图
HGY系列地埋式隔油器76
YZGS系列机械格栅/YZGS-300、YZGS-60077
毛发聚集器78
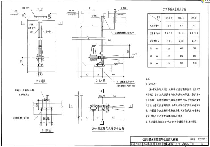
潜水(射流)曝气机80
叶轮式微气泡发生器、溶气泵83
过滤器85
PS系列滗水机89
加药装置91
附属设施
砖砌分流井93
混凝土分流井94
Φ700预制混凝土井筒、塑料闸板大样95
Φ700砖砌分流井盖板配筋图96
Φ700混凝土分流井盖板配筋图97
中水池(箱)自动补水图示98
03ss7031图集样张





- PC官方版
- 安卓官方手机版
- IOS官方手机版















陕09j01建筑用料以及做法PDF电子版
19dx101-1建筑电气常用数据2019PDF版





10S505柔性接口给水管道支墩图集pdf格式高清
12K404地面辐射供暖系统施工安装图集pdf高清
建筑工程绿色施工规范GB/T 50905-2014pdf电
11BS4排水工程图集(建筑设备施工安装通用图
05SS904民用建筑工程设计常见问题分析及图示
GB50164-2011混凝土质量控制标准规范pdf格式
11SG102-3钢吊车梁系统设计图平面表示方法和