02S106中小型冷却塔选用及安装图集,简称为02s106图集,该图集代替了原有90S436(一)图集及91S436(二)图集,图集主要介绍了100~1000m3/h机械通风冷却塔、100~700m3/h喷射式冷却塔设备的选用,系统设计及安装。本节内容小编为大家整理带来的是一份pdf格式最新整理版、由83页组成的高清电子版02s106图集,以下是关于该图集的相关介绍,如果你需要这份图集的话,那就赶紧点击本文相应的下载地址来进行下载查阅吧!
02s106图集目录
目录 1
总说明 5
建筑空调循环冷却水系统原理图 8
原理图(一)单机单塔系统 8
原理图(二)单机单塔、带水温调节自控系统 9
原理图(三)单机单塔、有冷却水箱系统 10
原理图(四)单机单塔、有冷却水箱、带水温调节自控系统 11
原理图(五)多机多塔、无冷却水池、并联管路系统 12
原理图(六)多机多塔、无冷却水池、并联管路、带水温调节自控系统 13
原理图(七)多机多塔、有冷却水池、并联管路系统 14
原理图(八)多机多塔、有冷却水池、并联管路、带水温调节自控系统 15
原理图(九)多机多塔、有冷却水箱、并联管路系统 16
原理图(十)多机多塔、有冷却水箱、并联管路、带水温调节自控系统 17
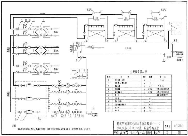
原理图(十一)多机多塔、有冷却水池、综合管路系统 18
原理图(十二)多机多塔、有冷却水池、综合管路、带水温调节自控系统 19
原理图(十三)多机多塔、有冷却水箱、综合管路系统 20
原理图(十四)多机多塔、有冷却水箱、综合管路、带水温调节自控系统 21
冷却水箱接管图 22
玻璃钢冷却塔选用、安装图 23
玻璃钢冷却塔热力特性曲线 23
玻璃钢冷却塔非标准工况选用表 24
(C)DBNL3系列圆形逆流(超)低噪声玻璃钢冷却塔构造图、性能参数表 25
DBNL3系列圆形逆流低噪声玻璃钢冷却塔外形图、外形尺寸表 26
CDBNL3系列圆形逆流超低噪声玻璃钢冷却塔外形图、外形尺寸表 27
(C)DBNL3系列圆形逆流(超)低噪声玻璃钢冷却塔基础图、基础尺寸表 28
(C)DBHZ2系列横流(超)低噪声玻璃钢冷却塔性能参数表 29
(C)DBHZ2系列横流(超)低噪声玻璃钢冷却塔外形图、外形尺寸表(一) 30
(C)DBHZ2系列横流(超)低噪声玻璃钢冷却塔外形图、外形尺寸表(二) 31
(C)DBHZ2系列横流(超)低噪声玻璃钢冷却塔基础布置图 32
(C)DBHZ2系列横流(超)低噪声玻璃钢冷却塔基础大样图、基础数据表 33
HBL(C)D2系列横流(超)低噪声玻璃钢冷却塔性能参数表 34
HBL(C)D2系列横流(超)低噪声玻璃钢冷却塔外形图、外形尺寸表 35
HBL(C)D2系列横流(超)低噪声玻璃钢冷却塔基础图、基础数据表 36
DFNDP、DFNGP系列方形逆流低噪声玻璃钢冷却塔构造图、性能参数表 37
CDFNDP、CDFNGP系列方形逆流超低噪声玻璃钢冷却塔构造图、性能参数表 38
DFNDP、DFNGP系列方形逆流低噪声玻璃钢冷却塔外形图、外形尺寸表 39
CDFNDP、CDFNGP系列方形逆流超低噪声玻璃钢冷却塔外形图、外形尺寸表 40
DFNDP、DFNGP系列方形逆流低噪声玻璃钢冷却塔基础图 41
CDFNDP、CDFNGP系列方形逆流超低噪声玻璃钢冷却塔基础图 42
RHDZ、RHCZ系列横流低噪声、超低噪声玻璃钢冷却塔性能参数表 43
RHDZ、RHCZ系列横流低噪声、超低噪声玻璃钢冷却塔外形图、外形尺寸表(一) 44
RHDZ、RHCZ系列横流低噪声、超低噪声玻璃钢冷却塔外形图、外形尺寸表(二) 45
RHDZ、RHCZ系列横流超低噪声、超低噪声玻璃钢冷却塔基础图 46
RHDZ、RHCZ系列横流低噪声、超低噪声玻璃钢冷却塔基础大样图、基础数据表 47
RFDZ系列方形逆流低噪声玻璃钢冷却塔性能参数表 48
RFDZ系列方形逆流低噪声玻璃钢冷却塔外形图、外形尺寸表(一) 49
RFDZ系列方形逆流低噪声玻璃钢冷却塔外形图、外形尺寸表(二) 50
RFDZ系列方形逆流低噪声玻璃钢冷却塔基础图、基础数据表 51
LBCM-LN系列圆形逆流低噪声玻璃钢冷却塔性能参数表、热力特性曲线 52
LBCM-LN系列圆形逆流低噪声玻璃钢冷却塔非标准工况选用表 53
LBCM-LN系列圆形逆流低噪声玻璃钢冷却塔外形图、外形尺寸表 54
LBCM-LN系列圆形逆流低噪声玻璃钢冷却塔基础图 55
LBCM-LN系列圆形逆流低噪声玻璃钢冷却塔基础尺寸表 56
LBCM-LN系列圆形逆流低噪声玻璃钢冷却塔接管图、接管尺寸表 57
LRCM-H系列横流低噪声玻璃钢冷却塔性能参数表、热力特性曲线 58
LRCM-H系列横流低噪声玻璃钢冷却塔非标准工况选用表 59
LRCM-H系列横流低噪声玻璃钢冷却塔外形图、外形尺寸表(一) 60
LRCM-H系列横流低噪声玻璃钢冷却塔外形图、外形尺寸表(二) 61
LRCM-H系列横流低噪声玻璃钢冷却塔外形图(三) 62
LRCM-H系列横流低噪声玻璃钢冷却塔基础图、基础尺寸表 63
LFC系列喷射式无风机超低噪声玻璃钢冷却塔性能参数表 64
LFC系列喷射式无风机超低噪声玻璃钢冷却塔水量选用表 65
LFC系列喷射式无风机超低噪声玻璃钢冷却塔外形图(一) 66
LFC系列喷射式无风机超低噪声玻璃钢冷却塔外形图(二) 67
LFC系列喷射式无风机超低噪声玻璃钢冷却塔外形图(三) 68
LFC系列喷射式无风机超低噪声玻璃钢冷却塔外形图(四) 69
LFC系列喷射式无风机超低噪声玻璃钢冷却塔基础图、基础尺寸表(一) 70
LFC系列喷射式无风机超低噪声玻璃钢冷却塔基础图、基础尺寸表(二) 71
系统水质稳定处理装置与器材 72
NC(AB)系列自动加药装置(一) 72
NC(AB)系列自动加药装置(二) 73
DA系列多功能电子除垢仪(一) 74
DA系列多功能电子除垢仪(二) 75
CFG系列内磁水处理器 76
GCQ系列自洁式排气过滤器(一) 77
GCQ系列自洁式排气过滤器(二) 78
DAG系列自动排污管道过滤器 79
DA系列多功能循环冷却水旁滤装置(一) 80
DA系列多功能循环冷却水旁滤装置(二) 81
02s106图集样张





- PC官方版
- 安卓官方手机版
- IOS官方手机版












陕09j01建筑用料以及做法PDF电子版
19dx101-1建筑电气常用数据2019PDF版





10S505柔性接口给水管道支墩图集pdf格式高清
12K404地面辐射供暖系统施工安装图集pdf高清
建筑工程绿色施工规范GB/T 50905-2014pdf电
11BS4排水工程图集(建筑设备施工安装通用图
05SS904民用建筑工程设计常见问题分析及图示
GB50164-2011混凝土质量控制标准规范pdf格式
11SG102-3钢吊车梁系统设计图平面表示方法和