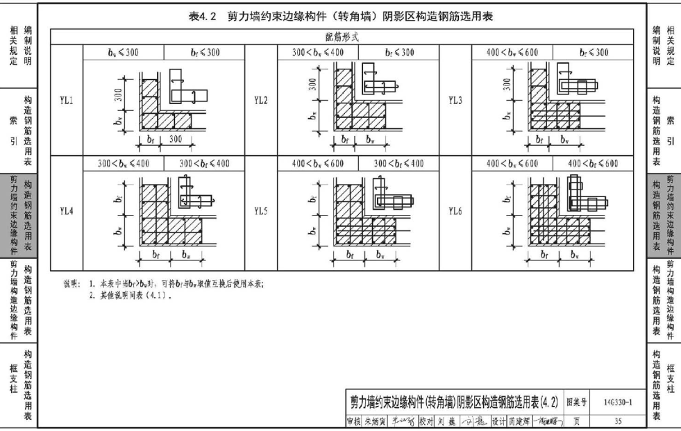
14G330-1混凝土结构剪力墙边缘构件和框架柱构造钢筋选用图集(剪力墙边缘构件/框支柱),一般被简称为14g3301图集。本节内容小编为大家精选带来的这份14g3301图集为pdf格式完整高清版,需要14g3301图集免费下载文档的朋友点击本文相应的下载地址进行下载即可将这份14g3301图集收入囊中,以下是关于该图集的相关介绍,希望对大家有所帮助!
14g3301图集内容简介
14G330-2《混凝土结构剪力墙边缘构件和框架柱构造钢筋选用(框架柱)》国家建筑标准设计图集适用于非抗震设计和抗震设防烈度为6~9度地区的现浇混凝土结构,包括多层与高层建筑。
本图集主要内容包括框架柱的构造钢筋(纵向钢筋和箍筋)选用表;选用表使用实例。柱截面包括方形截面(边长300mm~1500mm)和圆形截面(直径300mm~1500mm)。
本图集可供设计、施工、审图等技术人员使用,同时用以校核设计选用的钢筋是否符合规范规定的构造要求。
14g3301图集目录
目录1
1 编制说明2
2 相关规定2
3 框架柱
3.1 框架结构方形截面框架柱构造钢筋选用表9
3.2 框架结构圆形截面框架柱构造钢筋选用表55
3.3 "其他结构"方形截面框架柱构造钢筋选用表99
3.4 "其他结构"圆形截面框架柱构造钢筋选用表145
14g3301图集样张




- PC官方版
- 安卓官方手机版
- IOS官方手机版














陕09j01建筑用料以及做法PDF电子版
19dx101-1建筑电气常用数据2019PDF版





10S505柔性接口给水管道支墩图集pdf格式高清
12K404地面辐射供暖系统施工安装图集pdf高清
建筑工程绿色施工规范GB/T 50905-2014pdf电
11BS4排水工程图集(建筑设备施工安装通用图
05SS904民用建筑工程设计常见问题分析及图示
GB50164-2011混凝土质量控制标准规范pdf格式
11SG102-3钢吊车梁系统设计图平面表示方法和