06SD702-5电气设备在压型钢板、夹芯板上安装图集一般被简称为06sd7025图集。本节内容小编为大家奉上的这份06sd7025图集为pdf格式超清电子版,由67页组成,欢迎有需要的朋友前来下载查阅!
06sd7025图集内容简介
本图集适用于工业与民用建筑中屋面、围护墙体为压型钢板或夹芯板时电气设备的安装。包括了电气设备配电箱、开关、灯具、探测器等在压型钢板或夹芯板屋面、墙体上的安装。电气管线、梯架、托盘、线槽在钢柱上的安装方式。压型钢板、夹芯板屋面及防水卷材复合保温屋面上避雷接闪器的安装。本图集解决了屋面、维护墙体为压型钢板或夹芯板材时,电气设备及管线的安装和针对不同屋面形式的防雷接地问题。
06sd7025图集目录
目录 1
编制说明 3
电气箱及电气管线
电气箱落地式安装 5
电气箱嵌入式安装(一) 6
电气箱嵌入式安装(二) 7
电气箱嵌入式安装(三) 8
电气箱在方形钢柱上明装 9
电气管线在复合彩钢板墙上明装 10
电气管线在夹芯彩钢板墙上明装 11
电气管线跨复合彩钢板结构钢柱明敷 12
电缆梯架、线槽及封闭式母线
电缆梯架及管线在方形钢柱上垂直安装 13
线槽在夹芯彩钢板墙上垂直明装 14
线槽在彩钢板屋顶下吊装 15
塑料线槽在复合彩钢板墙上明装 16
线槽跨复合彩钢板结构钢柱明敷 17
封闭式母线在复合彩钢板屋顶下吊装 18
线槽、封闭式母线穿彩钢板墙做法 19
封闭式母线跨彩钢板结构钢柱安装 20
封闭式母线在方形钢柱上垂直安装 21
灯具
灯具在压型钢板屋顶梁下管吊安装 22
灯具在压型钢板屋顶檩条上链吊安装 23
灯具在组合楼板下安装(一) 24
灯具在组合楼板下安装(二) 25
荧光灯在组合楼板下杆吊安装(一) 26
荧光灯在组合楼板下杆吊安装(二) 27
荧光灯在组合楼板下吸顶安装(一) 28
荧光灯在组合楼板下吸顶安装(二) 29
荧光灯在彩钢板屋顶檩条上杆吊安装 30
疏散指示灯在复合(夹芯)彩钢板墙上安装 31
投光灯在复合彩钢板室外墙上安装 32
按钮、开关及小型电气设备
火灾探测器在压型彩钢板屋顶安装 33
火灾探测器在夹芯彩钢板屋顶安装 34
红外光束感烟探测器在彩钢板墙面安装 35
手动报警按钮在压型彩钢板墙面安装 36
扬声器在彩钢板屋顶安装 37
扬声器在复合彩钢板墙体暗装 38
扬声器箱在彩钢板墙面明装 39
摄像机在彩钢板屋顶、墙面及钢柱上安装 40
按钮盒、开关盒在彩钢板墙面安装 41
控制按钮(盒/箱)穿彩钢板安装 42
86系列接线盒在彩钢板墙面安装 43
局部照明变压器在彩钢板墙面安装 44
局部照明变压器在方形钢柱上安装 45
电笛、电铃在彩钢板墙面安装 46
避雷带、引下线及接地线
彩钢板构筑物避雷带及引下线做法(一) 47
彩钢板构筑物避雷带及引下线做法(二) 48
彩钢板构筑物避雷带及引下线做法(三) 49
彩钢板构筑物避雷带及引下线做法(四) 50
彩钢板构筑物避雷带及引下线做法(五) 51
彩钢板构筑物避雷带及引下线做法(六) 52
夹芯板屋面女儿墙、压型板单坡屋脊避雷带支持卡安装 53
压型板屋面山墙避雷带支持卡安装 54
防水卷材复合保温夹芯板屋面板式避雷带支持卡安装 55
夹芯板屋脊避雷带支持卡安装 56
压型板屋脊避雷带支持卡安装 57
防水卷材复合保温夹芯板屋面墩式避雷带支持卡安装 58
屋面避雷带支持卡零件图(一) 59
屋面避雷带支持卡零件图(二) 60
接地线在彩钢板墙上的安装 61
零件详图
有座管卡 62
管卡及单边管卡 63
吊架 64
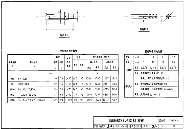
膨胀螺栓及塑料胀管 65
彩钢板专用自攻螺钉、铆钉及S型卡子 66
06sd7025图集样张





- PC官方版
- 安卓官方手机版
- IOS官方手机版













陕09j01建筑用料以及做法PDF电子版
19dx101-1建筑电气常用数据2019PDF版





10S505柔性接口给水管道支墩图集pdf格式高清
12K404地面辐射供暖系统施工安装图集pdf高清
建筑工程绿色施工规范GB/T 50905-2014pdf电
11BS4排水工程图集(建筑设备施工安装通用图
05SS904民用建筑工程设计常见问题分析及图示
GB50164-2011混凝土质量控制标准规范pdf格式
11SG102-3钢吊车梁系统设计图平面表示方法和