08D800-8民用建筑电气设计与施工防雷与接地图集,简称为08d8008图集。该图集是一份非常具有实用性且应用范围比较广泛的图集,本节内容中小编为大家整理带来的是一份pdf格式完整清晰版无水印08d8008图集,如果你需要一份08d8008图集免费下载文档,那么就赶紧点击本文相应的下载地址来进行下载吧!相信它一定会对你有所帮助的!
08d8008图集简介
在多本强电现行国家建筑标准设计图集的基础上,根据《民用建筑电气设计规范》JGJ16-2008及新技术、新产品,进行全面的整合、提炼、补充,以民用建筑工程为主,编制常用的、量大面广的、施工方便的图集,内容全面、精炼、便于查找。
主要内容:建筑物和电子信息系统防雷与接地设计要点、接闪器安装、引下线安装、接地线安装、接地装置、等电位联结、电源接地、电子信息系统接地安装、相关技术资料。
08d8008图集目录
目录 1
编制说明 5
图形符号 8
名词术语 9
建筑物防雷与接地设计
建筑物防雷的一般规定 11
建筑物防雷设计步骤 13
建筑物的防雷分类 14
建筑物防雷分区及电源系统保护分类 15
第三类防雷建筑物防雷措施示例 16
第二类防雷建筑物防雷措施示例 17
接闪器、避雷针规格及布置要求 18
各种电气装置要求的接地电阻值 19
人工接地装置 20
保护导体、连接线的截面选择 21
变配电所接地示例 22
电气竖井接地示例 23
屏蔽室接地示例 24
建筑物防雷与接地系统示意图 25
建筑物电子信息系统防雷与接地设计
建筑物电子信息系统防雷与接地的一般规定 26
电子信息系统电源设备浪涌保护器选择 28
TN-S系统过电压保护方式 29
TN-C-S系统过电压保护方式 30
TT系统过电压保护方式 31
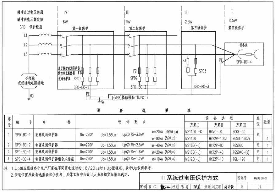
IT系统过电压保护方式 32
电源、信号及天馈线路浪涌保护器选择 33
计算机局域网过电压保护方式 34
火灾自动报警及联动系统过电压保护方式 35
广播系统过电压保护方式 36
视频监控系统过电压保护方式 37
BA系统过电压保护方式 38
综合布线系统过电压保护方式 39
智能建筑通信网络系统过电压保护方式 40
电话机房接地示例 41
弱电机房接地平面图示例 42
信息设备的接地和等电位联结方式 43
接闪器安装
避雷针在屋面上安装 44
避雷带及避雷短针在女儿墙上安装 45
避雷针制作图 46
A01避雷针针尖制作图 47
避雷带在天沟、屋面、女儿墙上安装 48
瓦坡屋顶防雷装置安装 49
V形折板内钢筋作防雷装置安装 50
加气混凝土板平屋顶防雷装置安装 51
彩钢板构筑物避雷带及引下线做法 52
夹芯板屋脊避雷带支持卡安装 53
古建筑物防雷做法 54
屋顶非金属冷却塔、水箱防雷装置安装 55
屋顶透气管、金属灯杆、旗杆防雷装置安装 56
屋顶立管和无女儿墙檐口处消防梯的防雷连接 57
各类天线防雷装置安装 58
屋顶彩灯防雷装置做法 59
航空障碍灯在屋顶上安装防雷做法 60
航空障碍灯在屋顶侧墙上安装防雷做法 61
铝合金玻璃幕墙防雷措施 62
通长铝合金窗防雷装置做法 63
高层建筑擦窗机防雷接地做法 64
多层、高层现浇框架节点连接 65
引下线的安装
断接卡与金属屋面及引下线连接安装 66
避雷带、引下线固定安装图 67
引下线保护安装图 70
引下线出防水层做法 71
接地线的安装
接地线连接 72
接地线在砖木结构上安装 75
接地线在钢筋混凝土上安装 76
接地线敷设在粉刷层内安装 77
接地线采用绝缘导线安装 78
接地线沿电缆桥架敷设安装 79
接地线沿电缆沟壁安装 80
接地线过门和接地支线安装 81
接地线过建筑伸缩缝、沉降缝安装 82
接地线在轻钢龙骨隔墙上安装 83
接地线穿墙、穿楼板安装 84
利用导体保护金属套管作接地线安装 85
利用金属电缆桥架作接地线安装 86
金属管道接地安装 87
气体管道、风管接地安装 88
管件防静电跨接线安装 89
防静电活动地板的接地安装 90
设备外露导电部分的接地安装 91
金属灯杆的接地安装 92
灯塔的防雷接地装置安装 93
钢管柱不拆外模板的接地安装 94
室内接地线与室外接地线连接 95
预埋接地端子板安装做法 96
接地装置
埋地的棒型接地极安装 97
埋地的管型接地极安装 98
埋地的角钢接地极安装 99
埋地的带型接地极安装 100
埋地的板型接地极安装 101
埋于基础内的人工接地极安装 101
利用钢筋混凝土基础中的钢筋作接地极安装 104
箱形基础防雷装置做法 107
利用护坡桩内钢筋作接地极做法 108
建筑物人行通道均压带做法 109
敷设在防水层下方混凝土垫层内的人工接地体 110
利用基础内钢筋作接地极的说明 112
采用降阻剂棒型、管型、角钢接地极安装 113
暗装断接卡子兼接地电阻检测点安装 114
地下接地电阻检测点安装 115
等电位联结
等电位联结综述 118
总等电位联结系统图示例 122
电源进线、信息进线等电位联结示意图 123
总等电位联结平面图示例(一处电源进线) 124
总等电位联结平面图示例(多处电源进线) 125
等电位联结端子板墙上明装做法 126
联结线与各种管道的连接 127
金属门的等电位联结 128
金属窗的等电位联结 129
金属栏杆、吊顶龙骨等建筑物构件的等电位联结 130
联结线与工艺设备外壳的连接 131
浴室局部等电位联结示例 132
游泳池局部等电位联结示例 133
喷水池局部等电位联结示例 134
电气设备接地安装
低压架空进线接地安装 135
低压电缆埋地进线接地安装 136
TN-S系统变压器中性点的接地安装 137
TN-C-S系统变压器中性点的接地安装 138
TN-C系统变压器中性点的接地安装 139
TT系统变压器中性点的接地安装 140
IT系统变压器中性点的接地安装 141
TT、TN柴油发电机系统接地型式示意图 142
IT柴油发电机系统接地型式示意图 143
UPS装置的接地示例 144
EPS装置的接地示例 147
电子信息系统接地安装
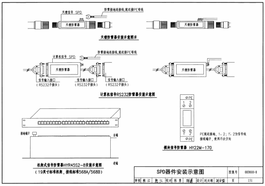
SPD器件安装示意图 149
利用钢筋混凝土地面内焊接钢筋网作信号基准网 152
利用设备底座作信号基准网 153
薄铜带构成的高频信号基准网络 154
附 录
全国主要城市年平均雷暴日数统计表 155
建筑物及入户设施年预计雷击次数计算 156
电子信息系统雷电防护等级计算 158
接地装置工频电阻简易计算式 159
接地体工频接地电阻与冲击接地电阻的换算 160
对已建成建筑物测量其钢筋体电阻的方法 161
自然基础接地体工频接地电阻的计算 162
PULSAR高压脉冲式避雷针 166
避雷针塔技术规格表 167
防腐接地装置技术资料 168
08d8008图集样张





- PC官方版
- 安卓官方手机版
- IOS官方手机版















陕09j01建筑用料以及做法PDF电子版
19dx101-1建筑电气常用数据2019PDF版





10S505柔性接口给水管道支墩图集pdf格式高清
12K404地面辐射供暖系统施工安装图集pdf高清
建筑工程绿色施工规范GB/T 50905-2014pdf电
11BS4排水工程图集(建筑设备施工安装通用图
05SS904民用建筑工程设计常见问题分析及图示
GB50164-2011混凝土质量控制标准规范pdf格式
11SG102-3钢吊车梁系统设计图平面表示方法和