08D800-5常用电气设备安装与控制图集一般被简称为08d8005图集。本节内容小编为大家整理带来的是一份pdf格式完整清晰版08d8005图集,该图集共由135页组成,如果你需要一份08d8005图集免费下载文档的话,那么希望这份08d8005图集能对你有所帮助!欢迎下载查阅!
08d8005图集简介
在多本强电现行国家建筑标准设计图集的基础上,根据《民用建筑电气设计规范》JGJ16-2008及新技术、新产品,进行全面的整合、提炼、补充,以民用建筑工程为主,编制常用的、量大面广的、施工方便的图集,内容全面、精炼、便于查找。
主要内容:动力、照明配电箱(柜)设计与安装;低压配电装置的设计与安装;自动门、窗电气安装;电梯、扶梯及自动人行道电气安装;升降类停车设备电气安装;常用低压配电设备安装;常用风机控制;常用水泵控制;其他特种常用电机控制及相关技术资料。
08d8005图集目录
目录1
编制说明4
动力、照明配电箱(柜)
动力配电柜示例6
照明配电箱示例8
双电源切换配电箱(柜)示例12
低压配电装置
客房配电箱系统及电子设备功能图13
高层住宅楼配电系统图示例14
消防泵全压起动工频巡检配电系统图15
自动门、窗安装
自动感应平移门电气安装做法示意16
自动伸缩门电气安装做法示意17
自动旋转门电气安装做法示意18
自动车库门电气安装做法示意19
电动卷帘门电气安装做法示意20
上悬钢天窗电动开窗机电气安装做法示意21
电动窗帘电气安装做法示意22
擦窗机设备说明23
轨道式擦窗机电气安装做法示意24
电梯、扶梯及自动人行道安装
电梯机房配电系统示意25
电梯机房及井道电气设备布置图26
自动扶梯电源引入示意图27
水平式、倾斜式自动人行道电源引入示意图28
交流电梯保护设备及导线选择表29
直流客梯、自动扶梯保护设备及导线选择表30
不同调速形式的电梯主要技术指标31
升降类停车设备
垂直升降式停车设备电气安装做法32
垂直循环式停车设备电气安装做法33
二层升降横移式(电动、液压)停车设备电气安装做法34
停车设备的汽车回转盘电气安装做法35
常用低压配电设备安装
配电设备嵌墙安装36
电气箱在复合彩钢板墙上嵌入式安装37
电气箱在方形钢柱上明装38
按钮盒、开关盒在彩钢板墙面安装39
配电设备落地安装40
配电设备落地安装(电动机控制中心)42
局部照明变压器墙上支架安装44
局部照明变压器柱上支架及嵌墙安装45
室外配电设备落地安装46
常用风机控制
常用风机综述47
常用风机综述及风机控制方案选择表48
Y(J)F-1排烟(正压送风)风机电路图49
SF-1双速风机电路图51
TF-1普通风机电路图53
TF-3普通风机电路图55
XF-1新风机组电路图57
XF-3新风机组电路图59
常用水泵控制
常用水泵综述61
水泵控制方案选择表63
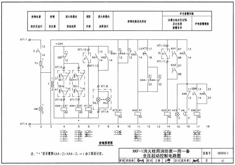
XKF-1消火栓用消防泵一用一备全压起动控制电路图65
XKF-3消火栓用消防泵一用一备星三角降压起动控制电路图69
XKF-4消火栓用消防泵一用一备自耦降压起动控制电路图73
XKF-7自动喷洒用消防泵一用一备全压起动控制电路图78
XKF-8自动喷洒用消防泵一用一备星三角降压起动控制电路图82
XKF-9自动喷洒用消防泵一用一备自耦降压起动控制电路图86
XKF-11消防稳压泵一用一备控制电路图91
XKR-1单台热水循环泵控制电路图94
XKR-3热水循环泵一用一备自动轮换控制电路图95
XKG-1给水泵一用一备全压起动控制电路图97
XKP-2单台排水泵水位(或两地)控制电路图100
XKP-7双电源供电的排水泵一用一备自动轮换控制电路图101
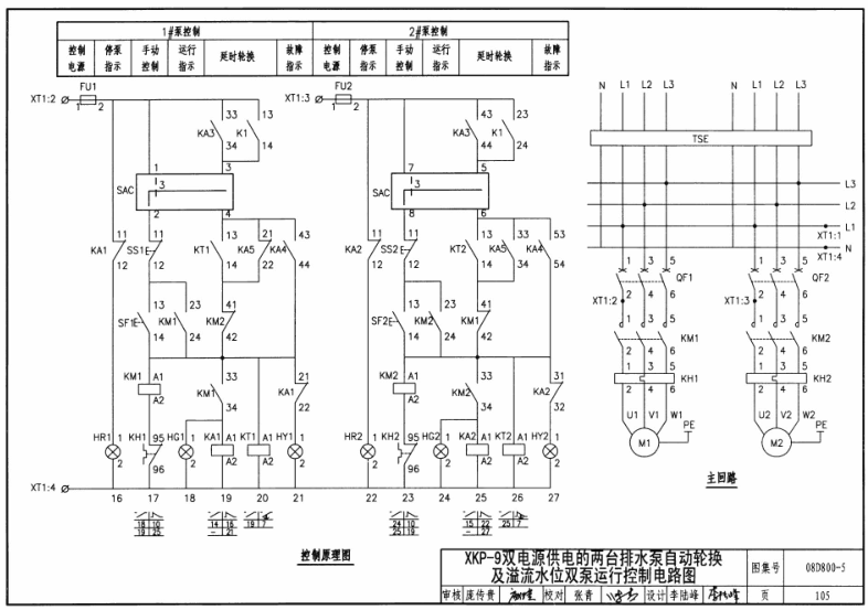
XKP-9双电源供电的两台排水泵自动轮换及溢流水位双泵运行控制电路图104
XKP-13双电源供电的两台排水泵自动轮换及溢流水位双泵运行控制电路图107
其他常用电机控制
冷却塔风机控制电路图110
单台水泵软起动控制电路图114
单台水泵变频器控制电路图(本地/远程给定)116
单台水泵变频器控制电路图(PID功能)118
消火栓泵一用一备全压起动工频巡检控制电路图120
相关技术资料
软起动器常用电机起动设备配合表125
变频器常用电机起动设备配合表127
电动机保护2类直接/星三角起动配合表130
成套开关设备和控制设备131
KBO系列控制与保护开关电器常用于风机、水泵选型表132
消防给水设备自动巡检控制配合表133
08d8005图集样张





- PC官方版
- 安卓官方手机版
- IOS官方手机版















陕09j01建筑用料以及做法PDF电子版
19dx101-1建筑电气常用数据2019PDF版





10S505柔性接口给水管道支墩图集pdf格式高清
12K404地面辐射供暖系统施工安装图集pdf高清
建筑工程绿色施工规范GB/T 50905-2014pdf电
11BS4排水工程图集(建筑设备施工安装通用图
05SS904民用建筑工程设计常见问题分析及图示
GB50164-2011混凝土质量控制标准规范pdf格式
11SG102-3钢吊车梁系统设计图平面表示方法和