01D302-3低压母线分段断路器二次接线图集(续)是一份适用于智能型断路器的进线柜、母联柜二次接线图的参考图集,该图集一般被简称为01d3023图集,本节内容小编为大加整理带来的这份01d3023图集为pdf格式完整版,图集内容清晰,适合作为参考资料使用,如果你需要一份这样的图集作为参考资料的话,那就赶紧点击本文相应的下载地址来进行下载查阅吧!
01d3023图集目录
目录1
编制说明4
Ace-MEC型断路器端子图6
AE-SS型断路器端子图7
DW945型断路器端子图8
E型断路器端子图9
F型断路器端子图10
M型断路器端子图(一)11
M型断路器端子图(二)12
MT型断路器端子图13
3WN6型断路器端子图14
索引表15
Ace-MEC型断路器进线柜电路图(方案一)19
Ace-MEC型断路器进线柜电路图(方案二)21
Ace-MEC型断路器分段柜电路图(方案一、二)23
Ace-MEC型断路器进线柜电路图(方案三)25
Ace-MEC型断路器进线柜电路图(方案四)27
Ace-MEC型断路器分段柜电路图(方案三、四)29
Ace-MEC型断路器进线柜电路图(方案五)31
Ace-MEC型断路器进线柜电路图(方案六)33
Ace-MEC型断路器分段柜电路图(方案五、六)35
AE-SS型断路器进线柜电路图(方案一)37
AE-SS型断路器进线柜电路图(方案二)39
AE-SS型断路器分段柜电路图(方案一、二)41
AE-SS型断路器进线柜电路图(方案三)43
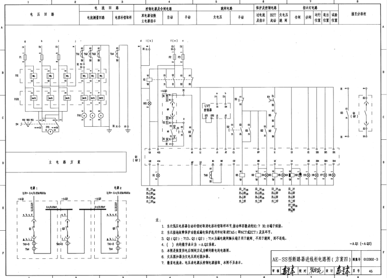
AE-SS型断路器进线柜电路图(方案四)45
AE-SS型断路器分段柜电路图(方案三、四)47
AE-SS型断路器进线柜电路图(方案五)49
AE-SS型断路器进线柜电路图(方案六)51
AE-SS型断路器分段柜电路图(方案五、六)53
DW945型断路器进线柜电路图(方案一)55
DW945型断路器进线柜电路图(方案二)57
DW945型断路器分段柜电路图(方案一、二)59
DW945型断路器进线柜电路图(方案三)61
DW945型断路器进线柜电路图(方案四)63
DW945型断路器分段柜电路图(方案三、四)65
DW945型断路器进线柜电路图(方案五)67
DW945型断路器进线柜电路图(方案六)69
DW945型断路器分段柜电路图(方案五、六)71
E型断路器进线柜电路图(方案一)73
E型断路器进线柜电路图(方案二)75
E型断路器分段柜电路图(方案一、二)77
E型断路器进线柜电路图(方案三)79
E型断路器进线柜电路图(方案四)81
E型断路器分段柜电路图(方案三、四)83
E型断路器进线柜电路图(方案五)85
E型断路器进线柜电路图(方案六)87
E型断路器分段柜电路图(方案五、六)89
F型断路器进线柜电路图(方案一)91
F型断路器进线柜电路图(方案二)93
F型断路器分段柜电路图(方案一、二)95
F型断路器进线柜电路图(方案三)97
F型断路器进线柜电路图(方案四)99
F型断路器分段柜电路图(方案三、四)101
F型断路器进线柜电路图(方案五)103
F型断路器进线柜电路图(方案六)105
F型断路器分段柜电路图(方案五、六)107
M型断路器进线柜电路图(方案一)109
M型断路器进线柜电路图(方案二)111
M型断路器分段柜电路图(方案一、二)113
M型断路器进线柜电路图(方案三)115
M型断路器进线柜电路图(方案四)117
M型断路器分段柜电路图(方案三、四)119
M型断路器进线柜电路图(方案五)121
M型断路器进线柜电路图(方案六)123
M型断路器分段柜电路图(方案五、六)125
MT型断路器进线柜电路图(方案一)127
MT型断路器进线柜电路图(方案二)129
MT型断路器分段柜电路图(方案一、二)131
MT型断路器进线柜电路图(方案三)133
MT型断路器进线柜电路图(方案四)135
MT型断路器分段柜电路图(方案三、四)137
MT型断路器进线柜电路图(方案五)139
MT型断路器进线柜电路图(方案六)141
MT型断路器分段柜电路图(方案五、六)143
3WN6型断路器进线柜电路图(方案一)145
3WN6型断路器进线柜电路图(方案二)147
3WN6型断路器分段柜电路图(方案一、二)149
3WN6型断路器进线柜电路图(方案三)151
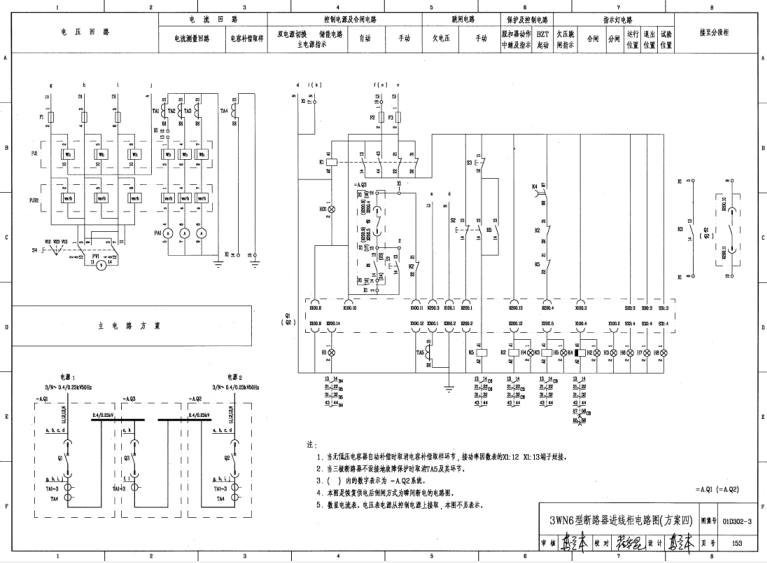
3WN6型断路器进线柜电路图(方案四)153
3WN6型断路器分段柜电路图(方案三、四)155
3WN6型断路器进线柜电路图(方案五)157
3WN6型断路器进线柜电路图(方案六)159
3WN6型断路器分段柜电路图(方案五、六)161
01d3023图集样张





- PC官方版
- 安卓官方手机版
- IOS官方手机版















陕09j01建筑用料以及做法PDF电子版
19dx101-1建筑电气常用数据2019PDF版





10S505柔性接口给水管道支墩图集pdf格式高清
12K404地面辐射供暖系统施工安装图集pdf高清
建筑工程绿色施工规范GB/T 50905-2014pdf电
11BS4排水工程图集(建筑设备施工安装通用图
05SS904民用建筑工程设计常见问题分析及图示
GB50164-2011混凝土质量控制标准规范pdf格式
11SG102-3钢吊车梁系统设计图平面表示方法和