该陕02N1供暖工程图集为pdf格式免费版,是一份内容完整、字迹清晰的高质量图集。陕02N1供暖工程图集,一般又被简称为02n1图集或是陕02n1图集,如果你正在寻求一份02n1图集免费下载文档,那么该陕02n1图集无疑是你的不二之选,有需要的朋友们快来下载查阅使用吧!
温馨提示:
本文档为PDF格式文档,因此需确保在阅读之前你已经安装了PDF阅读器,如果尚未安装阅读器,建议下载福昕PDF阅读器或其他PDF阅读器进行安装后阅读。
陕02N1供暖工程图集相关推荐
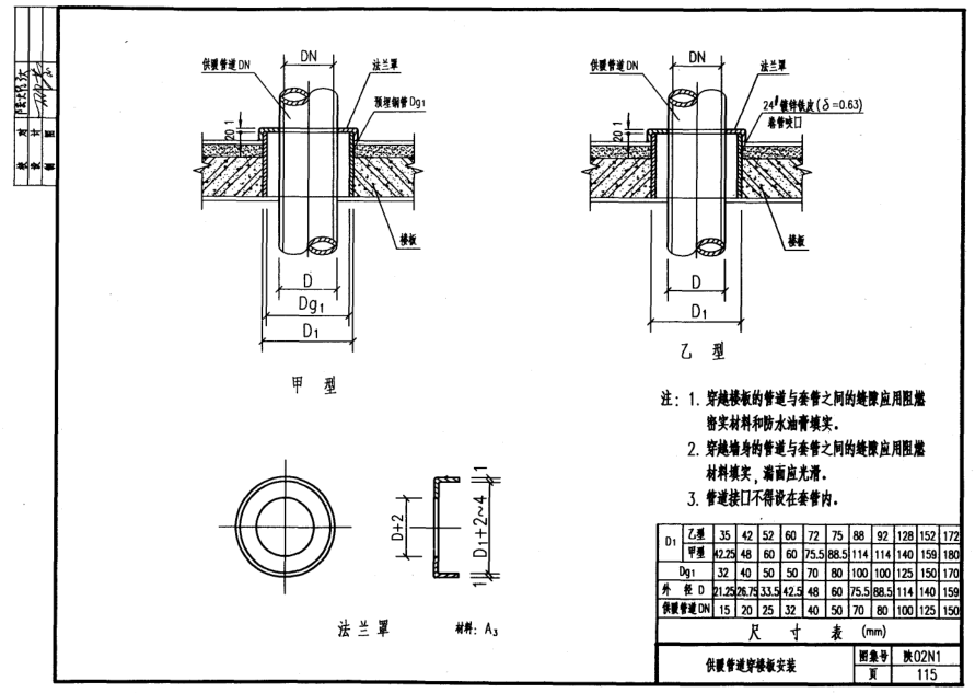
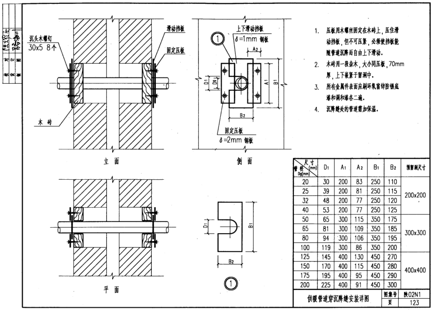
陕02N1供暖工程图集样张





- PC官方版
- 安卓官方手机版
- IOS官方手机版












19dx101-1建筑电气常用数据2019PDF版





10S505柔性接口给水管道支墩图集pdf格式高清
12K404地面辐射供暖系统施工安装图集pdf高清
建筑工程绿色施工规范GB/T 50905-2014pdf电
11BS4排水工程图集(建筑设备施工安装通用图
05SS904民用建筑工程设计常见问题分析及图示
GB50164-2011混凝土质量控制标准规范pdf格式
11SG102-3钢吊车梁系统设计图平面表示方法和