本节内容小编为大家推荐带来的这份图集为pdf格式免费完整版01S519小型排水构筑物图集,01S519小型排水构筑物图集是一份适用于一般工业与民用建筑的小型排水构筑物的图集,一般被简称为01s519图集,如果你正在寻求一份01s519图集免费下载文档或是需要一份01s519图集完整版,那就赶紧点击本文相应的下载地址来进行下载吧!
温馨提示:
本文档为PDF格式文档,因此需确保在阅读之前你已经安装了PDF阅读器,如果尚未安装阅读器,建议下载福昕PDF阅读器或其他PDF阅读器进行安装后阅读。
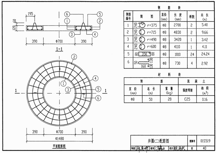
01S519小型排水构筑物图集图样




- PC官方版
- 安卓官方手机版
- IOS官方手机版













陕09j01建筑用料以及做法PDF电子版
19dx101-1建筑电气常用数据2019PDF版





10S505柔性接口给水管道支墩图集pdf格式高清
12K404地面辐射供暖系统施工安装图集pdf高清
建筑工程绿色施工规范GB/T 50905-2014pdf电
11BS4排水工程图集(建筑设备施工安装通用图
05SS904民用建筑工程设计常见问题分析及图示
GB50164-2011混凝土质量控制标准规范pdf格式
11SG102-3钢吊车梁系统设计图平面表示方法和