这是一份由7页组成的94k302图集——全称为94K302卫生间通风器安装图(壁挂式、吊顶式),该94k302图集为pdf格式清晰扫描版,图集内容完整,以下是该图集的相关介绍,如果你需要这份图集的话,那就赶紧点击本文相应的下载地址来进行下载吧!图集完全免费,有需要的朋友可以放心下载!
94k302图集内容简介
WTD型、WF型和YD型通风器安装图,分壁挂和吊顶安装形式。
94k302图集目录
图纸目录1
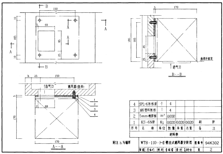
WTB-110-Ⅰ~Ⅱ壁挂式通风器安装图2
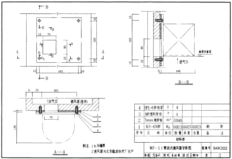
WF-1.1壁挂式通风器安装图3
WTD-110-Ⅰ~Ⅱ吊顶式通风器安装图4
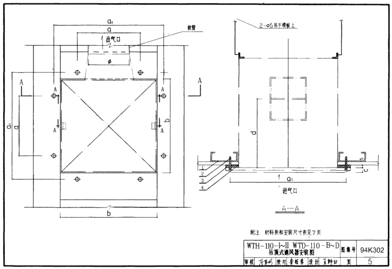
WTH-110-Ⅰ~Ⅱ、WTD-110-B~D吊顶式通风器安装图5
YP-Ⅰ~Ⅲ吊顶式通风器(排气扇)安装图6
吊顶式通风器安装尺寸和材料表7
94k302图集样张




- PC官方版
- 安卓官方手机版
- IOS官方手机版














陕09j01建筑用料以及做法PDF电子版
19dx101-1建筑电气常用数据2019PDF版





10S505柔性接口给水管道支墩图集pdf格式高清
12K404地面辐射供暖系统施工安装图集pdf高清
建筑工程绿色施工规范GB/T 50905-2014pdf电
11BS4排水工程图集(建筑设备施工安装通用图
05SS904民用建筑工程设计常见问题分析及图示
GB50164-2011混凝土质量控制标准规范pdf格式
11SG102-3钢吊车梁系统设计图平面表示方法和