本节内容小编和大家分享的这份图集为09DX004民用建筑工程电气初步设计深度图样(以下简称09dx004图集),该09dx004图集为pdf格式清晰扫描版,图集共由38页组成,是一份不错的参考资料,如果你需要这份图集的话,那就赶紧来下载吧!该图集完全免费,有需要的朋友可以放心下载使用!
09dx004图集内容简介
09DX004 《民用建筑工程电气初步设计深度图样》 本图集适用于民用建筑工程电气专业初步设计文件深度编制的指导。以建设部颁发的《建筑工程设计文件编制深度规定》(2008年版)为依据,图集选择民用建筑工程中的工程实例,绘制了建筑电气专业初步设计文件深度图样。图集由电气初步设计说明、工程实例、部分弱电系统图等组成,增加了电气节能和环保、谐波治理措施的设计说明等。供设计、建设等有关单位参考。另外将电气初步设计说明(强、弱电设计说明、消防电气设计说明三部分组成)放在国标网站上供图集用户下载。
09dx004图集目录
目 录1
编制说明2
初步设计说明
深度规定条文3-4
强电设计说明5-9
弱电设计说明10-17
消防电气设计说明18-20
工程实例
高压供电系统图21
低压配电系统图22
低压配电干线系统图23
变、配电所平面布置图24
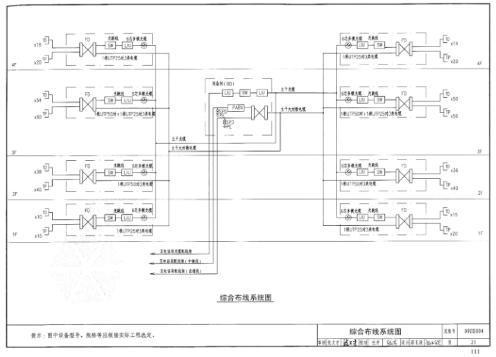
综合布线系统图25
广播系统图、有线电视系统图26
视频监控、车库管理系统图27
建筑设备监控系统图28
火灾自动报警及联动系统图29
一层主要干线平面布置图30
火灾自动报警布置图31
其他
同声传译系统图32
侯诊呼应信号系统图33
病房护理呼应信号系统图34
09dx004图集样张




- PC官方版
- 安卓官方手机版
- IOS官方手机版















陕09j01建筑用料以及做法PDF电子版
19dx101-1建筑电气常用数据2019PDF版





10S505柔性接口给水管道支墩图集pdf格式高清
12K404地面辐射供暖系统施工安装图集pdf高清
建筑工程绿色施工规范GB/T 50905-2014pdf电
11BS4排水工程图集(建筑设备施工安装通用图
05SS904民用建筑工程设计常见问题分析及图示
GB50164-2011混凝土质量控制标准规范pdf格式
11SG102-3钢吊车梁系统设计图平面表示方法和