这是一份内容完整,且图样内容十分清晰的图集——pdf格式高清完整版带详细目录的98D301-2硬塑料管配线安装图集(以下简称98d3012图集),该图集共由43页组成,如果你需要一份98d3012图集作为工作或学习的参考资料,那么该98D301-2硬塑料管配线安装图集将会是你一个不错的选择哦!以下是该图集的详细介绍,另外,该图集完全免费,有需要的朋友可以放心下载!
98d3012图集内容简介
98D301-2《硬塑料管配线安装》本图集适用于工业与民用建筑室内正常环境,或有酸、碱等腐蚀和潮湿场所电气线路硬塑料管安装。包括了硬塑料管(刚性塑料管)及其配件在一般墙体、楼板及地坪内明、暗配线敷设安装方式;一般配电设备和灯具、地面接线盒等进线安装方式;硬塑料管主要配件材料,技术要求及有关规定;硬塑料管技术指标。
98d3012图集目录
目录 1
说明 3
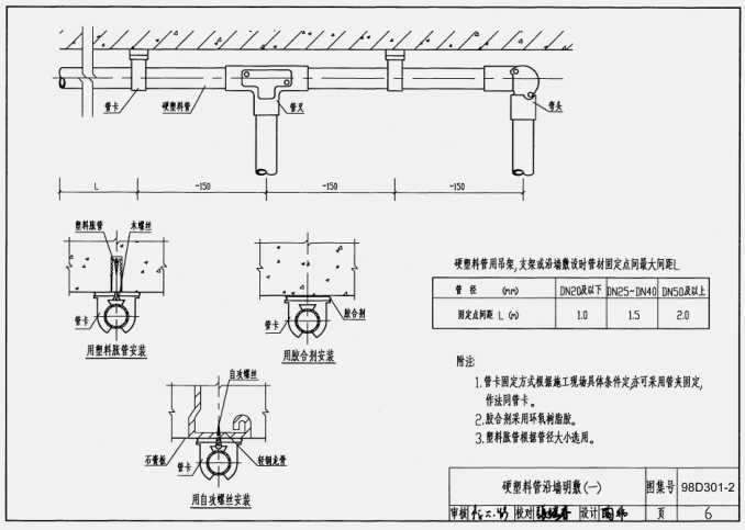
硬塑料管沿墙明敷(一)、(二) 6
硬塑料管沿楼板下明敷 8
硬塑料管在墙内敷设 9
硬塑料管在墙体及楼板内敷设 10
硬塑料管水平暗敷设 11
硬塑料管楼板内引至吊顶敷设 12
硬塑料管地坪内引至隔墙敷设 13
硬塑料管暗敷引出地面 14
硬塑料管暗敷引至电机 15
硬塑料管在配电竖井内的敷设 16
硬塑料管明敷过伸缩沉降缝安装 17
硬塑料管暗敷过伸缩沉降缝安装 18
硬塑料管与接线盒在现浇混凝土墙内安装(一)、(二) 19
硬塑料管与金属地面接线盒安装 21
硬塑料管与配电箱安装 22
硬塑料管与灯头盒在楼板中安装 23
硬塑料管与插座、开关、吊扇进线安装 24
软硬塑料管直管连接安装 25
明管敷设时温度补偿装置安装 26
硬塑料管与盒、箱的连接 27
硬塑料管的连接 28
附录
管材配件(一)、(二)、(三)、(四)、(五) 29
管材配件(六)、(七)、(八) 34
U形槽钢、垫板、U形槽管卡 37
胀锚螺栓、塑料胀管 38
管材规格(一)、(二) 39
技术指标 41
导线穿塑料管载流量表 42
98d3012图集样张





- PC官方版
- 安卓官方手机版
- IOS官方手机版














陕09j01建筑用料以及做法PDF电子版
19dx101-1建筑电气常用数据2019PDF版





10S505柔性接口给水管道支墩图集pdf格式高清
12K404地面辐射供暖系统施工安装图集pdf高清
建筑工程绿色施工规范GB/T 50905-2014pdf电
11BS4排水工程图集(建筑设备施工安装通用图
05SS904民用建筑工程设计常见问题分析及图示
GB50164-2011混凝土质量控制标准规范pdf格式
11SG102-3钢吊车梁系统设计图平面表示方法和