99D302-1低压双电源切换电路图,简称为99d3021图集或是低压双电源切换电路图。本节内容小编为大家整理带来的这份99d3021图集为pdf格式免费高清版,图集内容完整,样张清晰,适合作为打印资料使用,如果你需要这份pdf格式99D302-1低压双电源切换电路图的话,那就赶紧点击本文相应的下载地址来进行下载吧!
99D302-1低压双电源切换电路图目录
目录1
说明3
一次电路图方案5
索引表6
两路TN-C电源互自投手复电路图(一)SDH-Ⅰa/HS8
两路TN-C电源互自投自复电路图(一)SDH-Ⅰa/HZ9
两路TN-C电源备自投手复电路图(一)SDH-Ⅰa/BS10
两路TN-C电源备自投自复电路图(一)SDH-Ⅰa/BZ11
两路TN-C电源互自投手复电路图(二)SDH-Ⅰb/HS12
两路TN-C电源互自投自复电路图(二)SDH-Ⅰb/HZ13
两路TN-C电源备自投手复电路图(二)SDH-Ⅰb/BS14
两路TN-C电源备自投自复电路图(二)SDH-Ⅰb/BZ15
两路TN-S电源互自投手复电路图(一)SDH-Ⅱa/HS16
两路TN-S电源互自投自复电路图(一)SDH-Ⅱa/HZ17
两路TN-S电源备自投手复电路图(一)SDH-Ⅱa/BS18
两路TN-S电源备自投自复电路图(一)SDH-Ⅱa/BZ19
两路TN-S电源互自投手复电路图(二)SDH-Ⅱb/HS20
两路TN-S电源互自投自复电路图(二)SDH-Ⅱb/HZ21
两路TN-S电源备自投手复电路图(二)SDH-Ⅱb/BS22
两路TN-S电源备自投自复电路图(二)SDH-Ⅱb/BZ23
两路TN-C电源母线分段自投手复电路图SDH-Ⅲ/S24
两路TN-C电源母线分段自投自复电路图SDH-Ⅲ/Z26
两路TN-S电源母线分段自投手复电路图SDH-Ⅳ/S28
两路TN-S电源母线分段自投自复电路图SDH-Ⅳ/Z30
一路TN-C电源一路直流电源备自投手复电路图SDH-Ⅴ/BS32
一路TN-C电源一路直流电源备自投自复电路图SDH-Ⅴ/BZ34
一路TN-S电源一路直流电源备自投手复电路图SDH-Ⅵ/BS36
一路TN-S电源一路直流电源备自投自复电路图SDH-Ⅵ/BZ38
电磁转换开关(HC92)内部接线及端子图40
两路TN-C电源互自投手复电路图(三)SDH-Ⅶa/HS41
两路TN-C电源互自投自复电路图(三)SDH-Ⅶa/HZ42
两路TN-C电源备自投手复电路图(三)SDH-Ⅶa/BS43
两路TN-C电源备自投自复电路图(三)SDH-Ⅶa/BZ44
两路TN-C电源互自投手复电路图(四)SDH-Ⅶb/HS45
两路TN-C电源互自投自复电路图(四)SDH-Ⅶb/HZ46
两路TN-C电源备自投手复电路图(四)SDH-Ⅶb/BS47
两路TN-C电源备自投自复电路图(四)SDH-Ⅶb/BZ48
两路TN-S电源互自投手复电路图(三)SDH-Ⅷa/HS49
两路TN-S电源互自投自复电路图(三)SDH-Ⅶa/HZ50
两路TN-S电源备自投手复电路图(三)SDH-Ⅷa/BS51
两路TN-S电源备自投自复电路图(三)SDH-Ⅷa/BZ52
两路TN-S电源互自投手复电路图(四)SDH-Ⅷb/HS53
两路TN-S电源互自投自复电路图(四)SDH-Ⅷb/HZ54
两路TN-S电源备自投手复电路图(四)SDH-Ⅷb/BS55
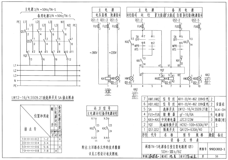
两路TN-S电源备自投自复电路图(四)SDH-Ⅷb/BZ56
99D302-1低压双电源切换电路图样张





- PC官方版
- 安卓官方手机版
- IOS官方手机版














陕09j01建筑用料以及做法PDF电子版
19dx101-1建筑电气常用数据2019PDF版





10S505柔性接口给水管道支墩图集pdf格式高清
12K404地面辐射供暖系统施工安装图集pdf高清
建筑工程绿色施工规范GB/T 50905-2014pdf电
11BS4排水工程图集(建筑设备施工安装通用图
05SS904民用建筑工程设计常见问题分析及图示
GB50164-2011混凝土质量控制标准规范pdf格式
11SG102-3钢吊车梁系统设计图平面表示方法和