06R115地源热泵冷热源机房设计与施工图集是一份主要适用于新建、改建和扩建的工业和民用建筑中地源热泵冷热源机房的设计与安装的图集。该图集可供从事空调系统冷热源设计、施工、运行、管理及其他有关的专业人员与策划人员使用。本节内容小编为大家整理带来的是一份pdf格式免费版06R115地源热泵冷热源机房设计与施工图集,该图集共由84页,有需要的朋友点击本文相应的下载地址进行下载即可查阅该图集的全部内容,欢迎有需要的朋友下载查阅!
温馨提示:
本文档为PDF格式文档,因此需确保在阅读之前你已经安装了PDF阅读器,如果尚未安装阅读器,建议下载福昕PDF阅读器或其他PDF阅读器进行安装后阅读。
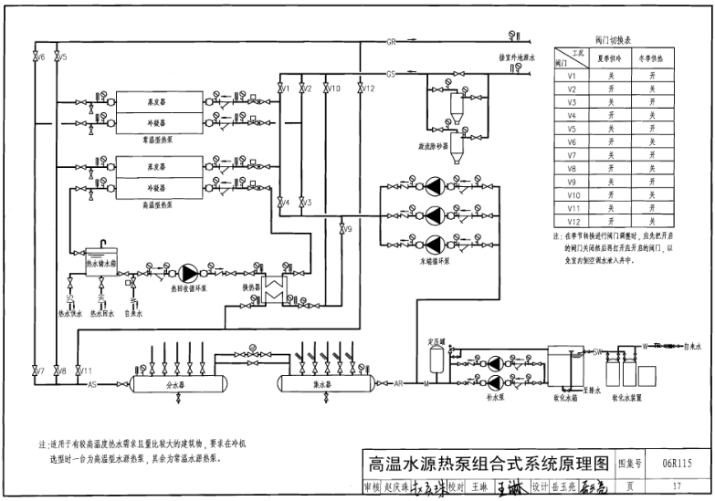
06R115地源热泵冷热源机房设计与施工图集图样




pdf格式免费版06R115地源热泵冷热源机房设计与施工图集相关内容小编就为大家介绍到这里了,更多pdf格式免费图集资料下载,敬请关注东坡下载站!
- PC官方版
- 安卓官方手机版
- IOS官方手机版















陕09j01建筑用料以及做法PDF电子版
19dx101-1建筑电气常用数据2019PDF版





10S505柔性接口给水管道支墩图集pdf格式高清
12K404地面辐射供暖系统施工安装图集pdf高清
建筑工程绿色施工规范GB/T 50905-2014pdf电
11BS4排水工程图集(建筑设备施工安装通用图
05SS904民用建筑工程设计常见问题分析及图示
GB50164-2011混凝土质量控制标准规范pdf格式
11SG102-3钢吊车梁系统设计图平面表示方法和