点击本文下方相应的下载地址,你将会得到一份pdf格式清晰版09J621-2电动采光排烟天窗电子图集,该09j6212图集共有56页,内容完整,字迹清晰,有需要的的朋友赶紧下载查阅吧!
温馨提示:
本文档为PDF格式文档,因此需确保在阅读之前你已经安装了PDF阅读器,如果尚未安装阅读器,建议下载福昕PDF阅读器或其他PDF阅读器,进行安装后阅读。
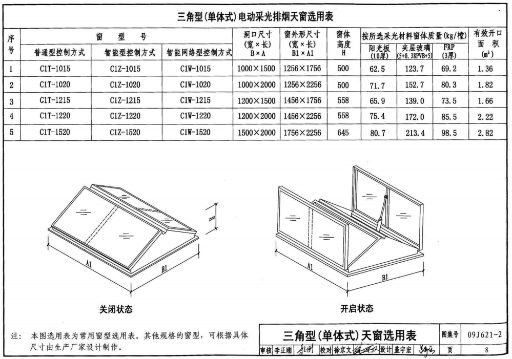
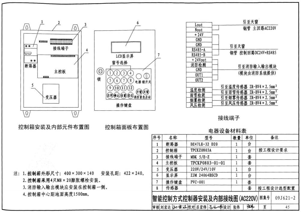
09J621-2电动采光排烟天窗电子图集(清晰版)内容截图





以上是09J621-2电动采光排烟天窗电子图集(清晰版) 相关内容介绍,查看完整版09j6212图集只需点击本文下方的下载地址下载即可。
- PC官方版
- 安卓官方手机版
- IOS官方手机版












![战争地带2100 复活版[绿色版] - 即时战略游戏](https://pic.uzzf.com/up/2017-1/201715185844261.png)


19dx101-1建筑电气常用数据2019PDF版





10S505柔性接口给水管道支墩图集pdf格式高清
12K404地面辐射供暖系统施工安装图集pdf高清
建筑工程绿色施工规范GB/T 50905-2014pdf电
11BS4排水工程图集(建筑设备施工安装通用图
05SS904民用建筑工程设计常见问题分析及图示
GB50164-2011混凝土质量控制标准规范pdf格式
11SG102-3钢吊车梁系统设计图平面表示方法和