本节内容小编为大家精选带来的是pdf格式高清免费版06J908-2公共建筑节能构造图集(简称06j9082图集),本pdf格式免费电子版06J908-2公共建筑节能构造图集共由57页组成,图集内容清晰完整,点击本文下方的下载地址进行下载后即可查看这份夏热冬冷地区居住建筑节能设计标准全部内容。
温馨提示:
本文档为pdf格式,因此需确保在阅读之前你已经安装了PDF阅读器,如果尚未安装阅读器,建议下载福昕PDF阅读器或其他PDF阅读器,进行安装后阅读。

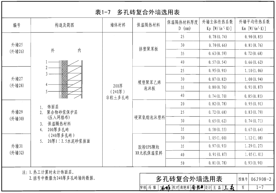
06J908-2公共建筑节能构造图集(高清免费版)内容截图







06J908-2公共建筑节能构造图集(高清免费版)相关内容小编就为大家介绍到这里了,更多pdf格式免费图集资料下载,敬请关注东坡下载站!
- PC官方版
- 安卓官方手机版
- IOS官方手机版














19dx101-1建筑电气常用数据2019PDF版





10S505柔性接口给水管道支墩图集pdf格式高清
12K404地面辐射供暖系统施工安装图集pdf高清
建筑工程绿色施工规范GB/T 50905-2014pdf电
11BS4排水工程图集(建筑设备施工安装通用图
05SS904民用建筑工程设计常见问题分析及图示
GB50164-2011混凝土质量控制标准规范pdf格式
11SG102-3钢吊车梁系统设计图平面表示方法和