本节内容小编为大家精选带来的是pdf格式免费版07FG系列人防图集合订本(其中包含07fg01图集、07fg02图集、07fg03图集、07fg04图集以及07fg05图集),如果你正好需要一份这样的“人防图集免费下载”资料,那就赶紧点击本文下方的下载地址进行查阅吧!相信小编为你整理的这份图集资料一定会对你有所帮助的!
温馨提示:
本文档为pdf格式,因此需确保在阅读之前你已经安装了pdf阅读器,如果尚未安装阅读器,建议下载福昕pdf阅读器或其他PDF阅读器,进行安装后阅读。

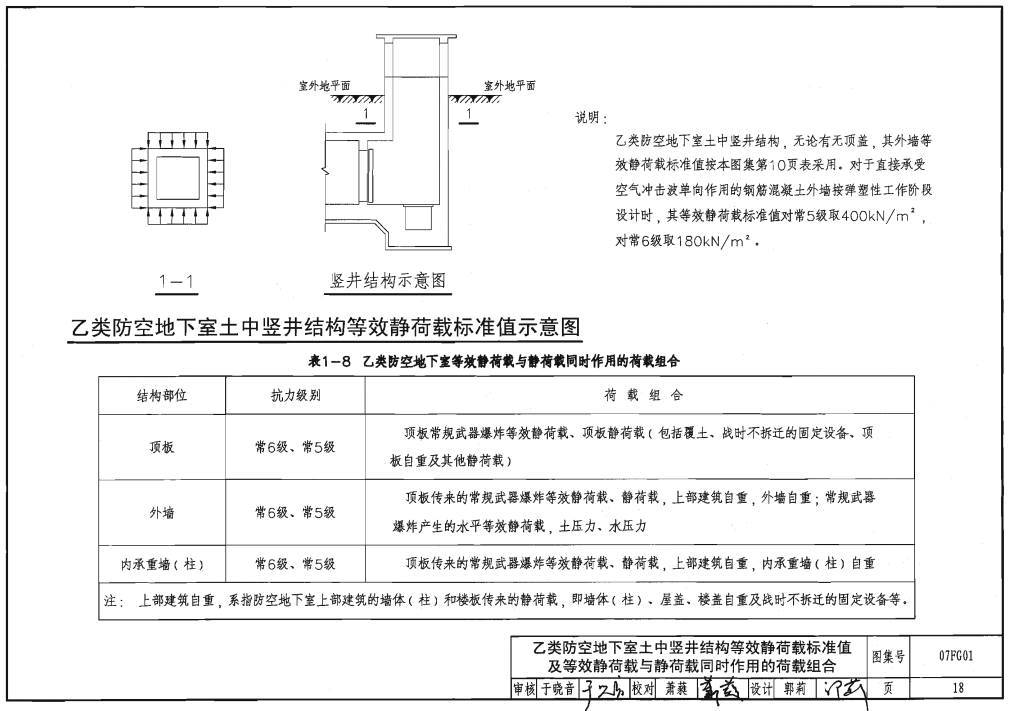
07FG系列人防图集合订本(07fg01-07fg05图集)内容截图








07FG系列人防图集合订本(07fg01-07fg05图集)相关内容小编就为大家介绍到这里了,更多pdf格式文档资料下载,敬请关注东坡下载站!

Java加密与解密的艺术pdf完整扫描版
三菱FX2N-2DA特殊功能模块使用手册pdf格式免
花影塔罗牌使用手册(中译全彩)pdf格式免费电
深入理解计算机系统(中文版)免费清晰版【原
04FJ04防空地下室钢制防护设备选用图集pdf格







05J909/07G120工程做法完整图集(高清无水印
GB50016-2014建筑设计防火规范pdf格式免费版
疯狂android讲义第3版pdf高清扫描版【中文版
Spring MVC学习指南pdf高清扫描版
图解机器学习pdf高清扫描版【中文版】