微星Z97 XPOWER AC主板支持Socket 1150架构的第四代及第五代Intel® Core™ / Pentium® / Celeron® 处理器,采用第二代电压测量接点(V-Check Points 2),可同时量测三处不同电压,第四代易超频精灵,全自动1秒超频,免设定效能全面提升。以下文档是微星Z97 XPOWER AC用户手册,为英文版本,有需要的朋友可立即下砸此文档。
温馨提示:
本文档为PDF格式文档,因此需确保在阅读之前你已经安装了pdf阅读器,如果尚未安装阅读器,建议下载福昕pdf阅读器或其他PDF阅读器,进行安装后阅读。

微星Z97 XPOWER AC用户手册目录
Preface ............................................................................................................i
Copyright Notice .......................................................................................................ii
Trademarks ..............................................................................................................ii
Revision History .......................................................................................................ii
Smartphone Application ..........................................................................................iii
Technical Support ...................................................................................................iii
Safety Instructions ...................................................................................................iv
FCC-B Radio Frequency Interference Statement ................................................... v
CE Conformity ......................................................................................................... v
Radiation Exposure Statement ...............................................................................vi
European Community Compliance Statement ........................................................vi
FCC Bluetooth Wireless Compliance ......................................................................vi
Bluetooth Industry Canada Statement ....................................................................vi
Taiwan Wireless Statements ...................................................................................vi
Japan VCCI Class B Statement ..............................................................................vi
Korea Warning Statements .....................................................................................vi
Battery Information .................................................................................................vii
Chemical Substances Information .........................................................................vii
WEEE (Waste Electrical and Electronic Equipment) Statement ...........................viii
Chapter 1 Getting Started............................................................................1-1
Packing Contents .................................................................................................1-2
Optional accessories ...........................................................................................1-2
Assembly Precautions ..........................................................................................1-3
Motherboard Specifications ..................................................................................1-4
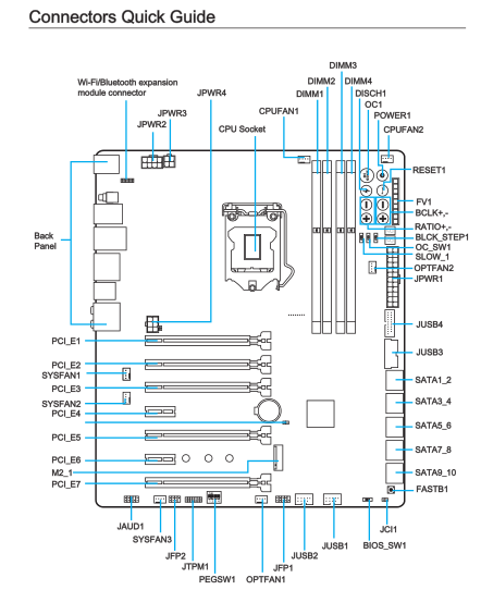
Connectors Quick Guide ......................................................................................1-7
Back Panel Quick Guide ......................................................................................1-9
CPU (Central Processing Unit) ..........................................................................1-11
Introduction to the LGA 1150 CPU ..............................................................1-11
CPU & Heatsink Installation .........................................................................1-12
Memory ..............................................................................................................1-15
Dual-Channel mode Population Rule ..........................................................1-15
Mounting Screw Holes .......................................................................................1-16
Power Supply .....................................................................................................1-17
JPWR1~4: ATX Power Connectors .............................................................1-17
Expansion Slots .................................................................................................1-18
PCI_E1~7: PCIe Expansion Slots ................................................................1-18
PCIe x16 Slots Bandwidth Table ................................................................1-18
Video/ Graphics Cards ......................................................................................1-19
Single Video Card Installation ......................................................................1-19
Internal Connectors ............................................................................................1-20
SATA1~10: SATA Connectors ....................................................................1-20
CPUFAN1~2,SYSFAN1~3,OPTFAN1~2: Fan Power Connectors ..............1-21
JFP1, JFP2: System Panel Connectors ......................................................1-22
JUSB1~2: USB 2.0 Expansion Connector ...................................................1-23
JUSB3~4: USB 3.0 Expansion Connectors .................................................1-24
JCI1: Chassis Intrusion Connector ..............................................................1-24
JAUD1: Front Panel Audio Connector .........................................................1-25
M2_1: M.2 Port ............................................................................................1-25
JTPM1: TPM Module Connector ................................................................1-26
Voltage Checkpoints ..........................................................................................1-27
FV1: V-Check Connectors ...........................................................................1-27
Buttons ...............................................................................................................1-28
OC1: OC Genie Button ...............................................................................1-28
POWER1: Power Button ..............................................................................1-29
RESET1: Reset Button ................................................................................1-29
DISCH1: Discharge Button ..........................................................................1-29
BCLK+, BCLK-: Base Clock Control Buttons ...............................................1-30
RATIO+, RATIO-: CPU Ratio Control Buttons ............................................1-30
FASTB1: GO2BIOS Button ..........................................................................1-31
Jumpers .............................................................................................................1-32
JBAT1: Clear CMOS Jumper .......................................................................1-32
Switch .................................................................................................................1-33
MULTI BIOS SWITCH: Multi-BIOS Switch ..................................................1-33
OC_SWITCH1: OC Genie Mode Switch ......................................................1-34
SLOW_1: Slow Mode Booting Switch ..........................................................1-34
BCLK_STEP1: Base Clock Step Swtich ......................................................1-35
PEGSW1: PCIe CeaseFire Switch ..............................................................1-35
LED Status Indicators ........................................................................................1-36
LED Status Table .........................................................................................1-36
Debug Code LED Table ...............................................................................1-37
Drivers and Utilities ............................................................................................1-38
Driver/ Utilities Installation ...........................................................................1-38
Chapter 2 Quick Installation ........................................................................2-1
CPU Installation ...................................................................................................2-2
Memory Installation ..............................................................................................2-4
Motherboard Installation .......................................................................................2-5
Power Connectors Installation .............................................................................2-7
SATA HDD Installation .........................................................................................2-9
M.2 module Installation ......................................................................................2-10
Front Panel Connector Installation .....................................................................2-11
JFP1 Connector Installation .........................................................................2-11
Front Panel Audio Connector Installation ....................................................2-11
Peripheral Connector Installation .......................................................................2-12
USB2.0 Connector Installation .....................................................................2-12
USB3.0 Connector Installation .....................................................................2-12
Graphics Card Installation ..................................................................................2-13
Chapter 3 BIOS Setup .................................................................................3-1
Entering Setup .....................................................................................................3-2
Entering BIOS Setup .....................................................................................3-2
Overview ..............................................................................................................3-3
Operation .............................................................................................................3-6
Updating BIOS .....................................................................................................3-7
Updating the BIOS with M-FLASH .................................................................3-7
SETTINGS ...........................................................................................................3-8
System Status ................................................................................................3-8
Advanced .......................................................................................................3-9
Boot .............................................................................................................3-15
Security ........................................................................................................3-16
Save & Exit ..................................................................................................3-17
OC ......................................................................................................................3-18
M-FLASH ...........................................................................................................3-30
OC PROFILE .....................................................................................................3-31
HARDWARE MONITOR ....................................................................................3-32
Appendix A Realtek Audio .......................................................................... A-1
Software Configuration .........................................................................................A-2
Software panel overview ................................................................................A-2
Auto popup dialog ..........................................................................................A-3
Hardware Default Setting .....................................................................................A-4
Appendix B Intel RAID ................................................................................ B-1
Introduction ..........................................................................................................B-2
Using Intel Rapid Storage Technology Option ROM............................................B-3
Degraded RAID Array ........................................................................................B-10
System Acceleration (optional) ..........................................................................B-12
RST Synchronization (optional) .........................................................................B-14
微星Z97 XPOWER AC用户手册——连接器快速指南

微星Z97 XPOWER AC规格参数
CPU插槽:1150
CPU(最高支持):i7
M.2 port:1
系统总线:100MHz
芯片组:Intel® Z97 Express Chipset
DDR3内存:DDR3 1066/1333/1600/1866*/2000*/2133*/ 2200*/2400*/2600*/2666*/2800*/3000*/3100*/3200*/3300*(*OC)
内存通道:Dual
内存插槽:4
最大内存(GB):32
PCI-Ex16:5
PCI-E Gen:Gen3 (0, 16, 0, 0, 0), (16, 0, 0, 16, 0), 16, 0, 0, 8, 8), (8, 0, 8, 8, 8)
PCI-Ex1:2
SATAIII:10
USB 3.0 接口 (前端):4
USB 2.0 接口 (前端):4
RAID:0/1/5/10
网络接口:10/100/1000*1
USB 3.0 接口 (背板):8
USB 2.0 接口 (背板):2
音源接口 (背板):6
Display Port:1
HDMI:1
共享最大显存 (MB):512
DirectX:DX11
尺寸:E-ATX
SLI:Y
CrossFire:Y


游戏专业概论pdf格式【高清影印版】
12D401-3爆炸危险环境电气线路和电气设备安
07K506多联式空调机系统设计与施工安装图集
14J206种植屋面建筑构造图集pdf完整高清电子
啊哈算法(啊哈磊下载)高清扫描版







GB50016-2014建筑设计防火规范pdf格式免费版
05J909/07G120工程做法完整图集(高清无水印
疯狂android讲义第3版pdf高清扫描版【中文版