05G517轻型屋面三角形钢屋架图集简称05g517图集,本节内容小编为大家精选带来的这份05G517轻型屋面三角形钢屋架图集为pdf格式高清免费电子版,适用于非地震区及抗震设防烈度小于和等于9度地区,钢筋混凝土柱及钢柱适用于各种跨度且下弦标高不大于10m的厂房。如果你需要一份这样的“05g517图集免费下载”文档资料,点击本文下方相应的下载地址进行下载查阅即可!
温馨提示:
本文档为pdf格式,因此需确保在阅读之前你已经安装了pdf阅读器,如果尚未安装阅读器,建议下载福昕pdf阅读器或其他PDF阅读器,进行安装后阅读。
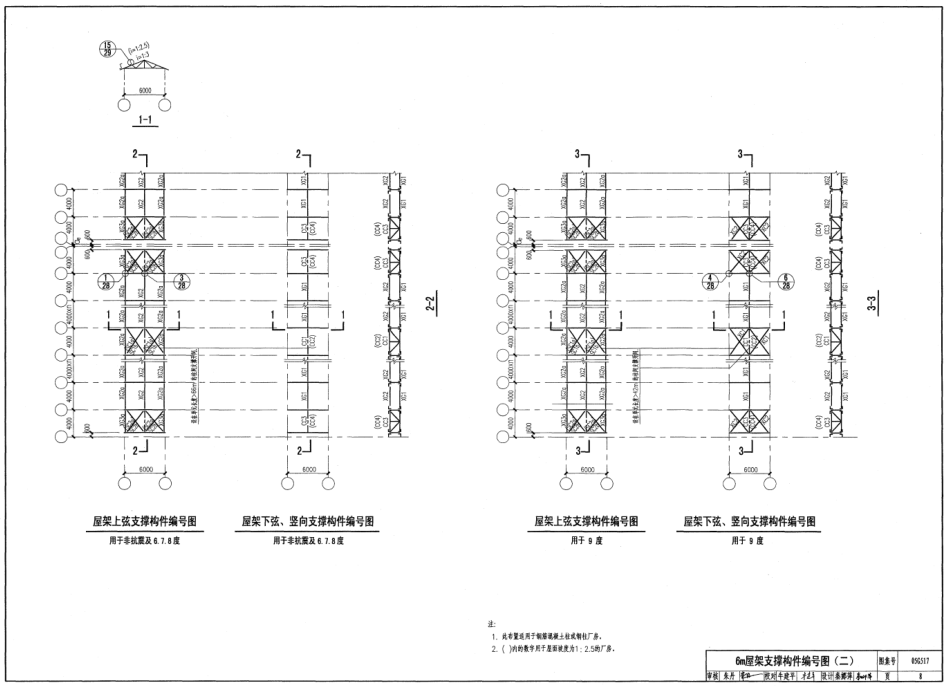
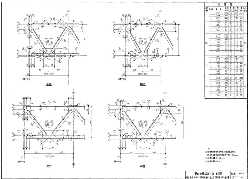
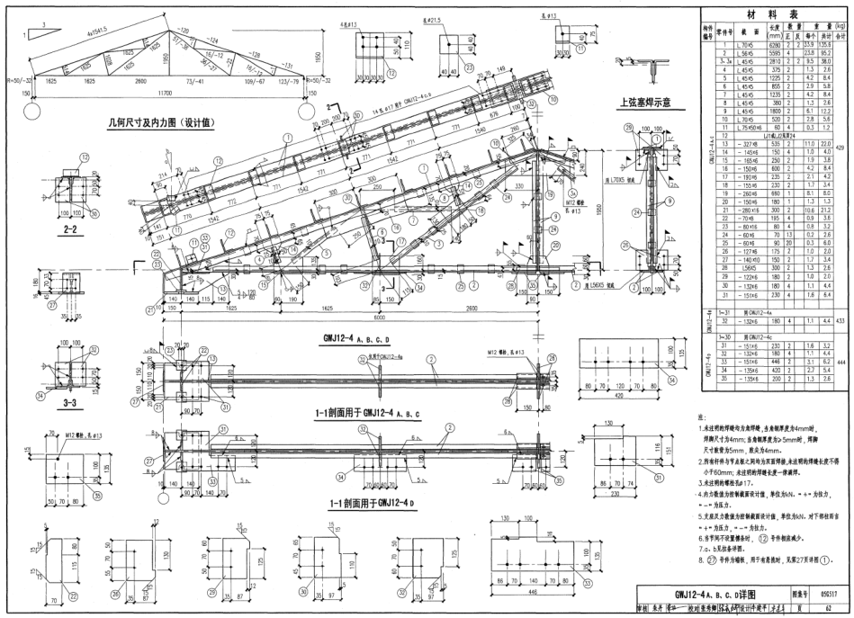
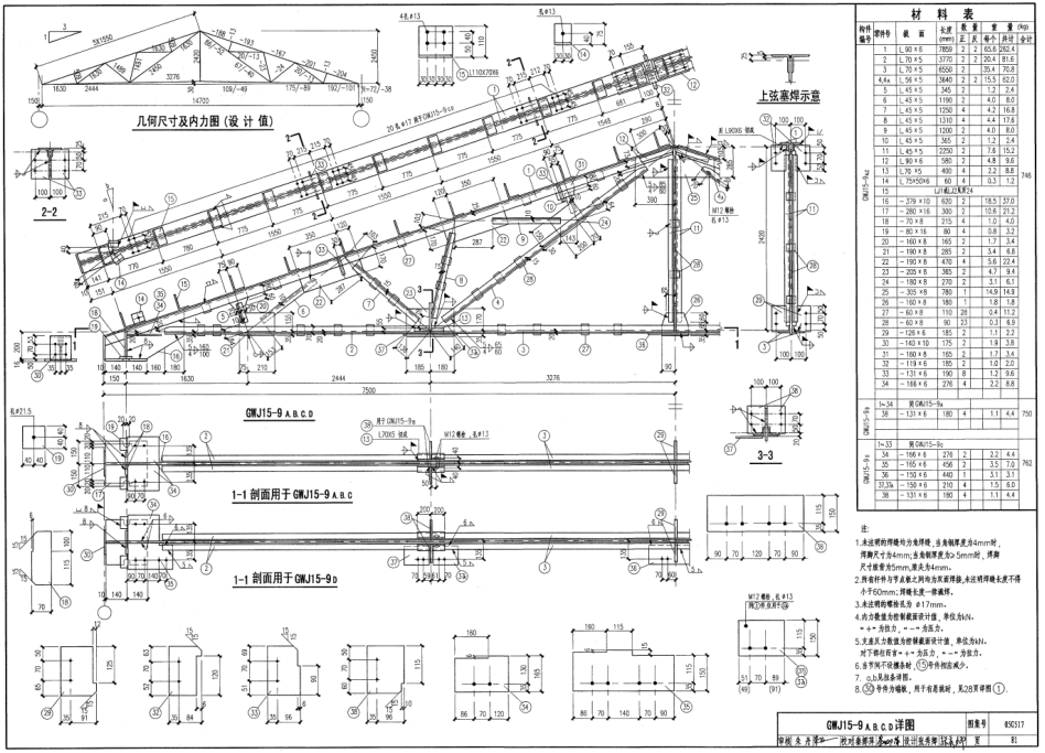
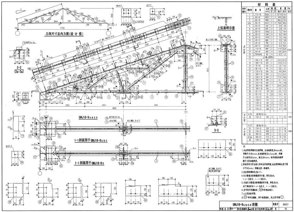
图集样张






pdf格式免费版05G517轻型屋面三角形钢屋架图集相关内容小编就为大家介绍到这里了,更多pdf格式免费图集资料下载,敬请关注东坡下载站!

97R403室外热力管道支座图集pdf格式免费版【
尼康D750中文使用指南pdf高清电子版【完整无
Android智能穿戴设备开发指南(抢先版)pdf格
大教堂与集市(中文版首次出版)pdf格式高清版
05D702-4用户终端箱图集pdf格式免费版【超清







GB50016-2014建筑设计防火规范pdf格式免费版
Spring MVC学习指南pdf高清扫描版
疯狂android讲义第3版pdf高清扫描版【中文版