东坡下载站为大家整理带来的这份06J106挡雨板及栈台雨篷电子版图集是一份pdf格式高清免费版图集,该图集共有36页,图集字迹清晰,内容完整,有需要的朋友只需点击本文下方的下载地址即可获得这份06j106图集。
温馨提示:
本文档为pdf格式,因此需确保在阅读之前你已经安装了pdf阅读器,如果尚未安装阅读器,建议下载福昕pdf阅读器或其他PDF阅读器,进行安装后阅读。

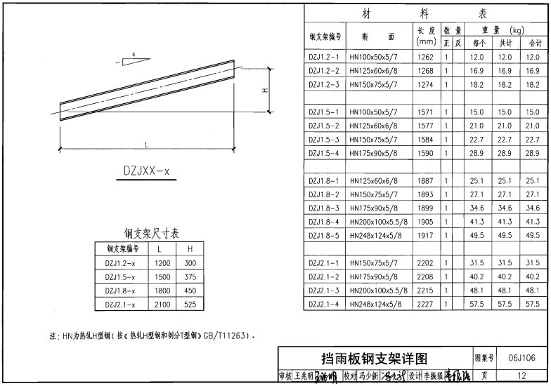
06J106挡雨板及栈台雨篷电子版高清图集内容截图






以上是06J106挡雨板及栈台雨篷电子版高清图集相关内容介绍,查看完整版06j106图集只需点击本文下方的下载地址下载即可。

苏J05-2006楼梯图集pdf格式高清免费版
02R110燃气(油)锅炉房工程设计施工图集pdf格
酒店出纳工作年终总结doc格式免费版
新编计算机办公自动化实用教程pdf格式清晰扫
NOSQL数据库入门(中文版)pdf完整扫描版【高







GB50016-2014建筑设计防火规范pdf格式免费版
05J909/07G120工程做法完整图集(高清无水印
Spring MVC学习指南pdf高清扫描版
疯狂android讲义第3版pdf高清扫描版【中文版