本节内容小编为大家精选带来的是pdf格式免费高清版03J603-2铝合金节能门窗图集(简称03j6032图集),如果你正好需要一份这样的“03j6032图集免费下载”资料,那就赶紧点击本文下方的下载地址进行查阅吧!
温馨提示:
本文档为pdf格式,因此需确保在阅读之前你已经安装了PDF阅读器,如果尚未安装阅读器,建议下载福昕PDF阅读器或其他PDF阅读器,进行安装后阅读。

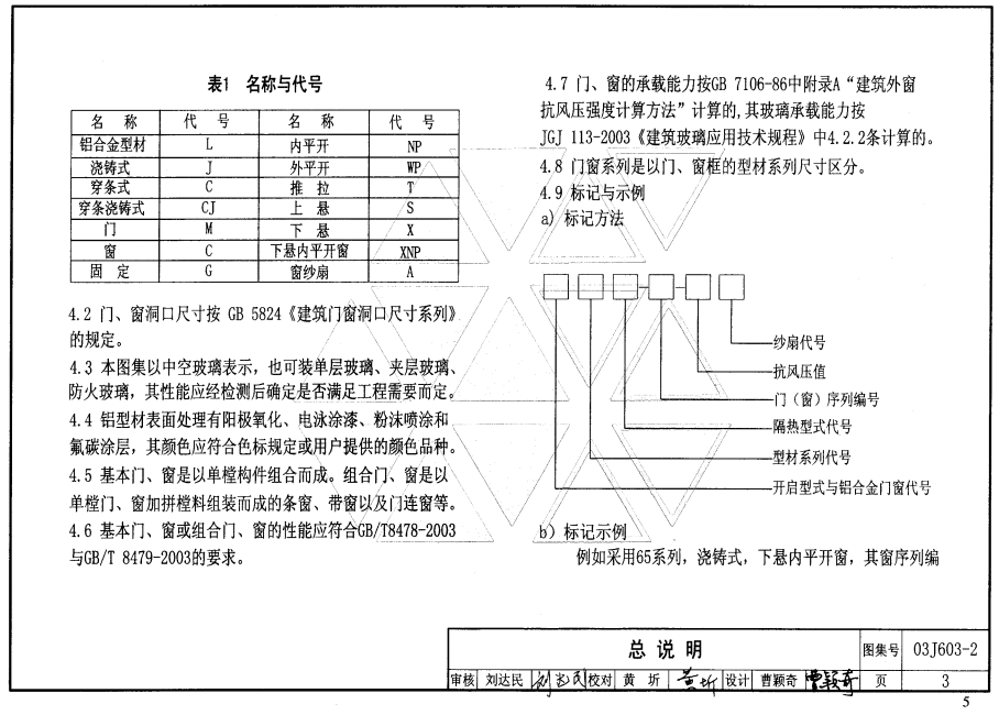
03J603-2铝合金节能门窗图集(高清版)内容截图






03J603-2铝合金节能门窗图集(高清版)相关内容小编就为大家介绍到这里了,更多pdf格式图集资料下载,敬请关注东坡下载站!
- PC官方版
- 安卓官方手机版
- IOS官方手机版
















有帮助. 




15j403-1 楼梯 栏杆 栏板(一)pdf【高清电子
10S505柔性接口给水管道支墩图集pdf格式高清
12K404地面辐射供暖系统施工安装图集pdf高清
建筑工程绿色施工规范GB/T 50905-2014pdf电
11BS4排水工程图集(建筑设备施工安装通用图
17j925-1压型钢板图集pdf高清免费版