今天小编给大家介绍的是微星X79MA-GD45说明书,为英文版。微星X79MA-GD45主板支持iPad/iPhone/Smartphone充电技术,可自动侦测装置所需电量,提供最大1.5A 电流输出。有需要的朋友可立即下载此文档。
温馨提示:
本文档为PDF格式文档,因此需确保在阅读之前你已经安装了pdf阅读器,如果尚未安装阅读器,建议下载福昕pdf阅读器或其他PDF阅读器,进行安装后阅读。

微星X79MA-GD45用户手册目录

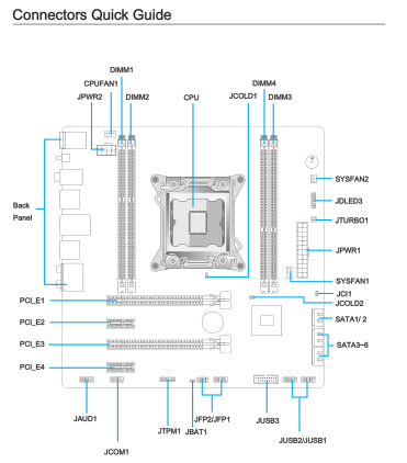
微星X79MA-GD45用户手册——主板结构图

微星X79MA-GD45规格参数
CPU 插槽 2011
CPU (最高支持) i7
系统总线 100MHz
芯片组 Intel® X79
DDR3 内存 DDR3 1066/1333/1600/1800*/2133*/2400*(OC)
内存通道 Quad
内存插槽 4
最大内存 (GB) 64
PCI-Ex16 2
PCI-E Gen Gen3 (16, 16)
PCI-Ex1 2
SATAIII 2
SATAII 4
RAID 0/1/5/10
网络接口 10/100/1000*1
TPM 1
USB 3.0 接口 (背板) 2
USB 2.0 接口 (背板) 6
音源接口 (背板) 6+Coaxial / Optical SPDIF
尺寸 M-ATX
DrMOS Y
APS Y
SLI Y
CrossFire Y

- PC官方版
- 安卓官方手机版
- IOS官方手机版














保镖报警器使用说明书完整版
天津公积金app用户手册doc格式免费版
2021全国蚊子预报地图jpg 超大型高清版
msteel工具箱使用教程pdf版
ARM DS-5 调试器使用手册v5.16 pdf格式【原版】
tokit产品说明书大全下载pdf 格式
3dmax快捷键命令大全word格式

Brother 兄弟 MFC-8510DN使用说明书(基本功
松下KX-MB1678CN传真机说明书完整版
夏普AR-M258使用手册完整版
索尼HXR NX5R说明书最新版
小米智能手环使用说明书pdf格式高清电子版
MH225机器人使用说明书pdf免费下载