微星B85M NIGHT ELF主板支持 Socket 1150 架构的第四代 Intel® Core™ / Pentium® / Celeron® 处理器,采用Command Center,可微调与自定义系统设定,神兽玩家们的喜爱。以下文档是微星B85M NIGHT ELF用户手册,有需要的朋友可立即下载此文档。
温馨提示:
本文档为PDF格式文档,因此需确保在阅读之前你已经安装了pdf阅读器,如果尚未安装阅读器,建议下载福昕pdf阅读器或其他PDF阅读器,进行安装后阅读。

微星B85M NIGHT ELF用户手册目录
主板规格 ..................................................................................................................5
组件快速指南 ...........................................................................................................7
后置面板指南 ...........................................................................................................9
CPU (中央处理器) .................................................................................................11
LGA 1150 CPU 简介 .......................................................................................11
CPU & 风扇安装 .............................................................................................12
内存 ....................................................................................................................... 15
双通道内存插入规则 .......................................................................................15
螺丝孔 ...................................................................................................................16
电源供应 ................................................................................................................17
JPWR1~2: ATX 电源接口 ...............................................................................17
扩展插槽 ................................................................................................................18
PCI_E1~3: PCIe 扩展插槽 .............................................................................. 18
视频/ 显卡 ............................................................................................................19
独立显卡的安装 ...............................................................................................19
内部接口 ................................................................................................................20
SATA1~6: SATA 接口 .....................................................................................20
CPUFAN1,SYSFAN1~2: 风扇电源接口 ..........................................................21
JFP1, JFP2: 系统面板接口 ............................................................................. 22
JUSB1~2: USB 2.0 扩展接口 .......................................................................... 23
JUSB3: USB 3.0 扩展接口 ..............................................................................23
JAUD1: 前置面板音频接口 .............................................................................. 24
JTPM1: TPM 模组接口 ...................................................................................24
JCOM1: 串行端头接口 ....................................................................................24
JCI1: 机箱入侵开关接口 ..................................................................................25
跳线 ....................................................................................................................... 26
JBAT1: 清除 CMOS 跳线 ................................................................................ 26
驱动和实用程序 .....................................................................................................27
Total Installer (整体安装) ............................................................................ 27
BIOS 设置 .............................................................................................................28
概述 ....................................................................................................................... 29
操作 ....................................................................................................................... 31
OC 菜单 ..........................................................................................................32
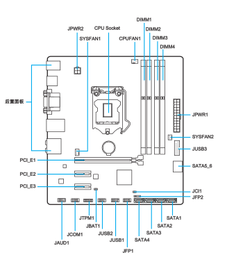
微星B85M NIGHT ELF用户手册——主板结构图

微星B85M NIGHT ELF规格参数
CPU 插槽 1150
CPU (最高支持) i7
系统总线 100MHz
芯片组 Intel® B85 Express
DDR3 内存 DDR3 1066/1333/1600 MHz
内存通道 Dual
内存插槽 4
最大内存 (GB) 32
PCI-Ex16 1
PCI-Ex1 2
USB 3.0 接口 (前端) 2
SATAIII 4
USB 2.0 接口 (前端) 4
SATAII 2
网络接口 10/100/1000*1
TPM 1
USB 3.0 接口 (背板) 2
USB 2.0 接口 (背板) 2
音源接口 (背板) 6
VGA 1
DVI 1
共享最大显存 (MB) 1024
DirectX DX11
尺寸 M-ATX

- PC官方版
- 安卓官方手机版
- IOS官方手机版














保镖报警器使用说明书完整版
天津公积金app用户手册doc格式免费版
2021全国蚊子预报地图jpg 超大型高清版
msteel工具箱使用教程pdf版
ARM DS-5 调试器使用手册v5.16 pdf格式【原版】
tokit产品说明书大全下载pdf 格式
3dmax快捷键命令大全word格式

Brother 兄弟 MFC-8510DN使用说明书(基本功
松下KX-MB1678CN传真机说明书完整版
夏普AR-M258使用手册完整版
索尼HXR NX5R说明书最新版
小米智能手环使用说明书pdf格式高清电子版
MH225机器人使用说明书pdf免费下载