华硕P8Z77-I DELUXE主板采用 LGA1155 插槽的最新英特尔? 第三代酷睿?处理器平台及英特尔? 第二代酷睿? i7/酷睿? i5/酷睿? i3/ 奔腾? / 赛扬? 处理器,独家Wi-Fi 功能提供DLNA streaming技术,打造出属于自己的家庭影院中心。以下文档是华硕P8Z77-I DELUXE用户手册,有需要的朋友可立即下载此文档。
温馨提示:
本文档为PDF格式文档,因此需确保在阅读之前你已经安装了pdf阅读器,如果尚未安装阅读器,建议下载福昕pdf阅读器或其他PDF阅读器,进行安装后阅读。

华硕P8Z77-I DELUXE用户手册目录

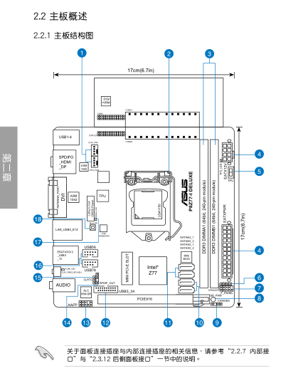
华硕P8Z77-I DELUXE用户手册——主板结构图

华硕P8Z77-I DELUXE规格参数
中央处理器
英特尔® Socket 1155 支持第三代/第二代 Core™ i7/Core™ i5/Core™ i3/Pentium®/Celeron® 处理器
支持 Intel® 22 nm 处理器
支持Intel® Turbo Boost 2.0 技术
* 是否支持 Intel® Turbo Boost 2.0 技术的支持依照处理器类型而不同。
支持 Intel® 32 nm 处理器
芯片组
英特尔® Z77
内存
2 x DIMM内存插槽, 最大容量 16GB, DDR3 2400(超频)/2200(超频)/2133(超频)/2000(超频)/1866(超频)/1800(超频)/1600/1333 MHz Non-ECC, Un-buffered 内存
双通道内存架构
*对 Hyper DIMM 的支持功能由 CPU 的物理特性而定。
支持Intel® Extreme Memory Profile (XMP) 技术
USB 接口
Intel® Z77芯片组 : *4
4 x USB 3.0 连接端口 (2 个位于后侧面板, 蓝色, 2 个位于主板中央)
Intel® Z77芯片组 :
8 x USB 2.0 连接端口 (4 个位于后侧面板, 黑色, 4 个位于主板中央)
ASMedia® USB 3.0 控制器 : *4
2 x USB 3.0 连接端口 (2 个位于后侧面板, 蓝色)
尺寸规格
Mini ITX 型式
6.7 英寸 x 6.7 英寸 ( 17 厘米 x 17 厘米 )

- PC官方版
- 安卓官方手机版
- IOS官方手机版















保镖报警器使用说明书完整版
天津公积金app用户手册doc格式免费版
2021全国蚊子预报地图jpg 超大型高清版
msteel工具箱使用教程pdf版
ARM DS-5 调试器使用手册v5.16 pdf格式【原版】
tokit产品说明书大全下载pdf 格式
3dmax快捷键命令大全word格式

Brother 兄弟 MFC-8510DN使用说明书(基本功
松下KX-MB1678CN传真机说明书完整版
夏普AR-M258使用手册完整版
索尼HXR NX5R说明书最新版
小米智能手环使用说明书pdf格式高清电子版
MH225机器人使用说明书pdf免费下载