技嘉GA-H61M-DS2支持Intel LGA1155第三代22奈米及第二代酷睿™处理器,创新Smart6 软硬件技术提供更灵活的计算机管理接口。以下文档是技嘉GA-H61M-DS2使用手册,有需要的朋友可立即下载此文档。
温馨提示:
本文档为PDF格式文档,因此需确保在阅读之前你已经安装了pdf阅读器,如果尚未安装阅读器,建议下载福昕pdf阅读器或其他PDF阅读器,进行安装后阅读。

技嘉GA-H61M-DS2使用手册目录
GA-H61M-DS2主板配置图..........................................................................................4
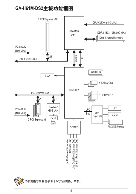
GA-H61M-DS2主板功能框图......................................................................................5
第一章硬件安装.......................................................................................................6
1-1安装前的注意事项.........................................................................................6
1-2网卡驱动程序下载.........................................................................................7
1-3产品规格..........................................................................................................8
1-4安装中央处理器...........................................................................................10
1-5安装内存条....................................................................................................10
1-6安装扩展卡.....................................................................................................11
1-7后方设备插座介绍........................................................................................11
1-8插座及跳线介绍...........................................................................................12
第二章BIOS程序设置............................................................................................16
2-1开机画面........................................................................................................17
2-2M.I.T.(频率/电压控制)..................................................................................17
2-3System(系统)..................................................................................................21
2-4BIOSFeatures(BIOS功能设定).....................................................................22
2-5Peripherals(集成外设)...................................................................................25
2-6PowerManagement(省电功能设定)............................................................27
2-7Save&Exit(储存设定值并结束设定程序)...............................................28
第三章驱动程序安装............................................................................................29
管理声明..................................................................................................................30
技嘉主板售后服务及质量保证卡.......................................................................35
技嘉科技全球服务网.............................................................................................36
技嘉GA-H61M-DS2主板功能介绍

技嘉GA-H61M-DS2规格参数
中央处理器(CPU)
支持LGA1155插槽处理器: Intel® Core™ i7处理器 / Intel® Core™ i5处理器 / Intel® Core™ i3处理器 / Intel® Pentium®处理器 / Intel® Celeron®处理器
L3高速缓存取决于CPU
(部份 Intel® Core™ 处理器需要搭配外接显卡, 详细支持列表请参考 "CPU 支持列表")
芯片组
Intel® 高速芯片组
内存
2个1.5V DDR3 DIMM插槽,最高支持到16 GB
*由于Windows 32-bit操作系统的限制,若安装超过4 GB容量内存时,实际上显示之内存容量将少于实际安装的内存容量。
支持双信道内存技术
支持DDR3 1333/1066/800 MHz
支持non-ECC内存
支持Extreme Memory Profile (XMP)内存
*支持XMP功能需搭配Intel® 22nm (Ivy Bridge) CPU。
(详细支持列表请参考 "内存支持列表")
显示功能
内建于有显示功能的处理器:
1个D-Sub插座
音效
内建Realtek® ALC887芯片
支持High Definition Audio
支寺2/4/5.1/7.1声道
*若要启动7.1声道音效输出,必须使用HD (High Definition,高传真)音效模块的前方面板音源输出接出,并透过音效软件选择多声道音效功能。
网络
内建Realtek® GbE LAN芯片(10/100/1000 Mbit)

- PC官方版
- 安卓官方手机版
- IOS官方手机版












保镖报警器使用说明书完整版
天津公积金app用户手册doc格式免费版
2021全国蚊子预报地图jpg 超大型高清版
msteel工具箱使用教程pdf版
ARM DS-5 调试器使用手册v5.16 pdf格式【原版】
tokit产品说明书大全下载pdf 格式
3dmax快捷键命令大全word格式

Brother 兄弟 MFC-8510DN使用说明书(基本功
松下KX-MB1678CN传真机说明书完整版
夏普AR-M258使用手册完整版
索尼HXR NX5R说明书最新版
小米智能手环使用说明书pdf格式高清电子版
MH225机器人使用说明书pdf免费下载