磊科NSW1924F有16个千兆SFP光模块接口,4个千兆光铜combo和4个千兆铜缆口,它是磊科公司推出的具有高性能、多用途、高安全性的网管型光纤交换机。支持IEEE802.3 10BASE-T/802.3u 100BASE-TX、IEEE 802.3ab 1000Base-T IEEE 802.3Z千兆以太网标准,支持自动协商功能,支持MAC地址绑定、MAC地址过滤、MAC地址学习、MAC地址老化,支持web页面设置以及固件升级等功能。下面小编给大家带来的是磊科NSW1924F使用说明书(用户手册)。

你可以通过基于web浏览器的配置来管理NSW1924F。要通过web浏览器配置NSW1924F,至少要有一台合理配置的电脑,通过以太网连接到NSW1924F。NSW1924F的默认IP地址是192.168.2.11,子网掩码是255.255.255.0。所以在登录交换机之前,请确保电脑网卡的IP地址与交换机的IP处于同一网段:192.168.2.***(1<***<255,且***不等于11)。参照下面步骤来设置
NSW1924F交换机与其它HUB或交换机的连接方法
将 NSW1924F与其他网络设备采用直联线或交叉线直接相连。
10BASE-T的HUB或交换机与交换机相连时,可以使用3类、4类或者5类或以上的UTP/STP双绞线。
100BASE-T的HUB或交换机与交换机相连时,必须使用5类或以上的UTP/STP双绞线。
1000BASE-T的网卡或交换机与交换机相连时,必须使用超5e类或以上的UTP/STP双绞线。
1000M光纤模块与交换机相连时,请使用SFP多模光纤
磊科nsw1924f说明书目录
1. 简介...........7
1.1. 产品概述...........................................................7
1.2. 主要特性...........................................................7
1.3. 支持的标准和协议............................................7
1.4. 工作环境...........................................................8
2. 硬件安装过程............................................................9
2.1. 系统需求...........................................................9
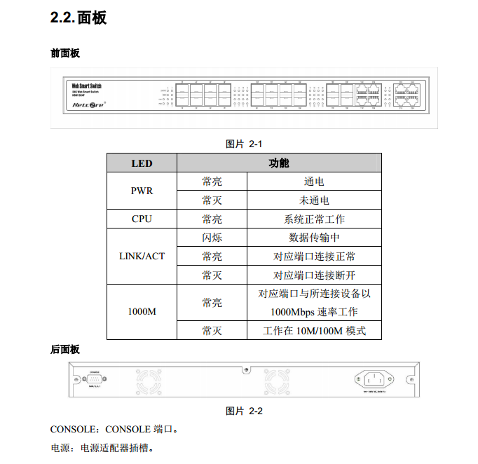
2.2. 面板...9
2.3. 硬件安装.........................................................10
3. 交换机的连接方法.................................................. 11
3.1. 交换机的连接.................................................. 11
3.2. 与网络最终节点的连接方法........................... 11
3.3. 与其它HUB或交换机的连接方法................. 11
4. 登入.........12
4.1. 配置电脑.........................................................12
4.1.1. Windows 98/Me ........................................12
4.1.2. Windows 2000 ..........................................12
4.1.3. Windows XP .............................................15
4.1.4. Windows Vista ..........................................21
4.2. 用NSW1924F检查电脑的IP和连接.............27
4.3. 登入.28
5. WEB设置...............................................................30
5.1. 首页.30
5.2. 系统管理.........................................................31
5.2.1. IP地址....................................................31
5.2.2. 修改密码.................................................32
5.2.3. MAC地址................................................32
5.2.4. CONSOLE信息.......................................32
5.2.5. 管理VLAN...............................................33
5.2.6. 系统升级.................................................33
5.2.7. 参数保存.................................................33
5.2.8. 参数备份与恢复......................................34
5.2.9. 恢复缺省参数..........................................35
5.2.10. 重新启动.................................................35
5.3. 端口管理.........................................................35
5.3.1. 端口配置.................................................35
5.3.2. 端口统计.................................................36
5.3.3. 端口带宽限制..........................................37
5.3.4. 级联口配置..............................................38
5.3.5. 线缆测试.................................................38
5.3.6. 缓存调度策略..........................................39
5.4. 冗余与备份......................................................39
5.4.1. 链路聚合.................................................39
5.5. 安全.40
5.5.1. ACL..........................................................40
5.5.2. 安全防御.................................................42
5.5.3. ARP攻击防御..........................................42
5.5.4. 网络防水墙..............................................43
5.5.5. VLAN .......................................................44
5.5.5.1. 802.1Q VLAN ................................................... 44
5.5.5.2. Port-Based VLAN.............................................. 53
5.5.6. MAC地址绑定........................................55
5.5.7. MAC地址过滤........................................56
5.5.8. MAC地址学习........................................56
5.5.9. MAC地址老化........................................57
5.6. QOS.57
5.6.1. 802.1p 队列映射.....................................57
5.6.2. 端口默认优先级......................................58
5.6.3. 队列调度.................................................58
5.6.4. 信任模式.................................................60
5.7. 组播管理.........................................................60
5.7.1. IGMP Snooping........................................60
5.7.2. 组播路由端口..........................................61
5.8. 网络分析.........................................................61
5.8.1. 端口分析.................................................61
5.8.2. 端口镜像.................................................62
5.8.3. QOS统计器.............................................63
5.8.4. 防水墙日志..............................................63
5.8.5. ARP攻击日志..........................................63
5.9. 网络设备保护..................................................63
5.9.1. 主机安全保护..........................................64
5.9.2. 网络设备保护..........................................66
5.9.3. 应用程序优先级......................................66
5.10. 单IP管理........................................................67
6. CONSOLE控制台..................................................68
6.1. 恢复默认.........................................................68
6.2. X-MODE升级.................................................70
7. 疑难解答.72
- PC官方版
- 安卓官方手机版
- IOS官方手机版






保镖报警器使用说明书完整版
天津公积金app用户手册doc格式免费版
2021全国蚊子预报地图jpg 超大型高清版
msteel工具箱使用教程pdf版
ARM DS-5 调试器使用手册v5.16 pdf格式【原版】
tokit产品说明书大全下载pdf 格式
3dmax快捷键命令大全word格式

Brother 兄弟 MFC-8510DN使用说明书(基本功
松下KX-MB1678CN传真机说明书完整版
夏普AR-M258使用手册完整版
索尼HXR NX5R说明书最新版
小米智能手环使用说明书pdf格式高清电子版
MH225机器人使用说明书pdf免费下载