新编常用建筑五金材料简明手册,一本最新的实用工程材料简明手册丛书,是宋伟所编,是根据国家最新的标准规范编制而成的,对于建筑行业的质量监督和检测有着很大的帮助,可以作为建筑工程、装饰工作等工作及管理人员的速查手册,欢迎有需要的朋友前来东坡下载使用!
新编常用建筑五金材料简明手册内容介绍
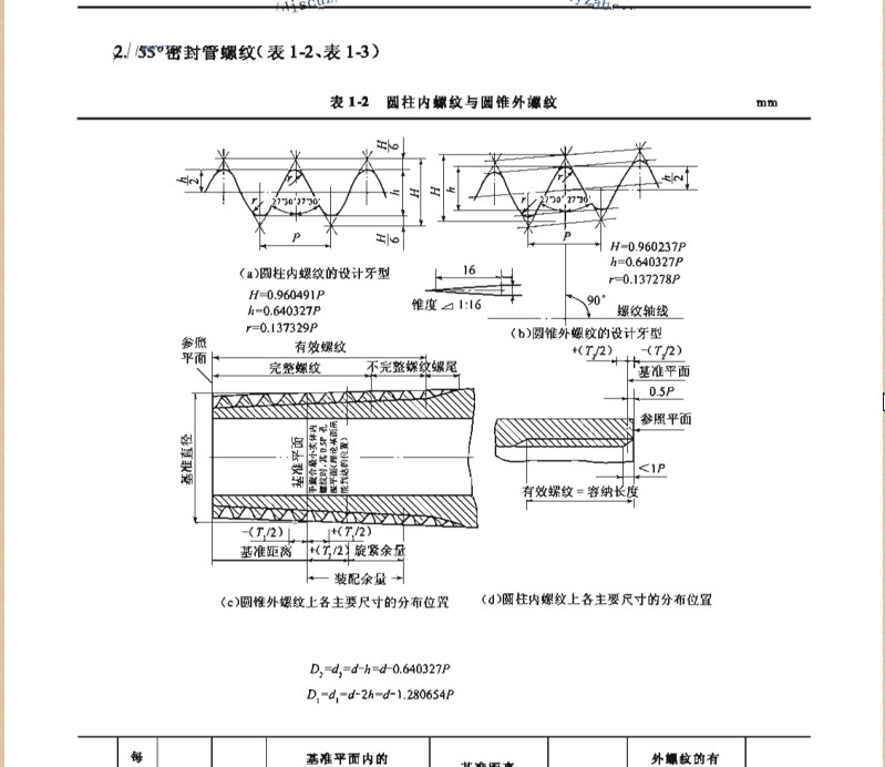
本手册依据国家现行标准规范编写,主要介绍了基础材料、钢铁材料、非铁金属材料、机械五金、建筑门窗五金、管材与管件、水暖器材、电气五金、消防器材和火灾自动报警装置以及厨房和卫生间设备等方面的内容。本书内容丰富,信息量大,通俗易懂,可操作性、实用性强。
新编常用建筑五金材料简明手册预览



- PC官方版
- 安卓官方手机版
- IOS官方手机版











18CJ87-1图集(采光、通风、消防排烟天窗)pdf免费版





15j403-1 楼梯 栏杆 栏板(一)pdf【高清电子
10S505柔性接口给水管道支墩图集pdf格式高清
12K404地面辐射供暖系统施工安装图集pdf高清
建筑工程绿色施工规范GB/T 50905-2014pdf电
11BS4排水工程图集(建筑设备施工安装通用图
17j925-1压型钢板图集pdf高清免费版
05SS904民用建筑工程设计常见问题分析及图示