这是一份由87页组成的03X301-1广播与扩声图集,该图集又被简称为03x3011图集,小编在这里和大家分享的这份03x3011图集内容完整,字迹清晰,是一份非常适合作为参考资料使用的图集。以下是关于这份图集的相关介绍,如果你需要这份图集的话,点击本文相应的下载地址进行下载即可!欢迎有需要的朋友下载使用!
温馨提示:
本文档为PDF格式文档,因此需确保在阅读之前你已经安装了PDF阅读器,如果尚未安装阅读器,建议下载福昕PDF阅读器或其他PDF阅读器进行安装后阅读。
03X301-1广播与扩声图集内容简介
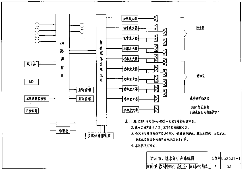
本图集设计方案适用于办公楼、宾馆、学校、铁路客运站、商场、工厂、多动能厅、公署县乡镇、广播站等公区活动场所的服务性业条广播,4欣赏性背景音乐广播及火灾应急广播。图集内容:本图集内容包括公共广播(含背景音乐),厅堂扩声(含会议厅、报告厅、多功能厅、卡拉OK影视厅)、体育场馆扩声、同声传译(数字会议系统)、医护对讲。
03X301-1广播与扩声图集图样





pdf格式免费版03X301-1广播与扩声图集相关内容小编就为大家介绍到这里了,更多pdf格式免费图集资料下载,敬请关注东坡下载站!
- PC官方版
- 安卓官方手机版
- IOS官方手机版















18CJ87-1图集(采光、通风、消防排烟天窗)pdf免费版





15j403-1 楼梯 栏杆 栏板(一)pdf【高清电子
10S505柔性接口给水管道支墩图集pdf格式高清
12K404地面辐射供暖系统施工安装图集pdf高清
建筑工程绿色施工规范GB/T 50905-2014pdf电
11BS4排水工程图集(建筑设备施工安装通用图
17j925-1压型钢板图集pdf高清免费版