本节内容小编为大家带来的是国标04S520埋地塑料排水管道施工图集(简称04s520图集),如果你正在寻找这样一份“04s520图集免费下载”内容,那么小编建议你赶紧点击本文下方的下载地址进行下载查阅吧!
温馨提示:
本文档为PDF格式文档,因此需确保在阅读之前你已经安装了pdf阅读器,如果尚未安装阅读器,建议下载福昕pdf阅读器或其他PDF阅读器进行安装后阅读。

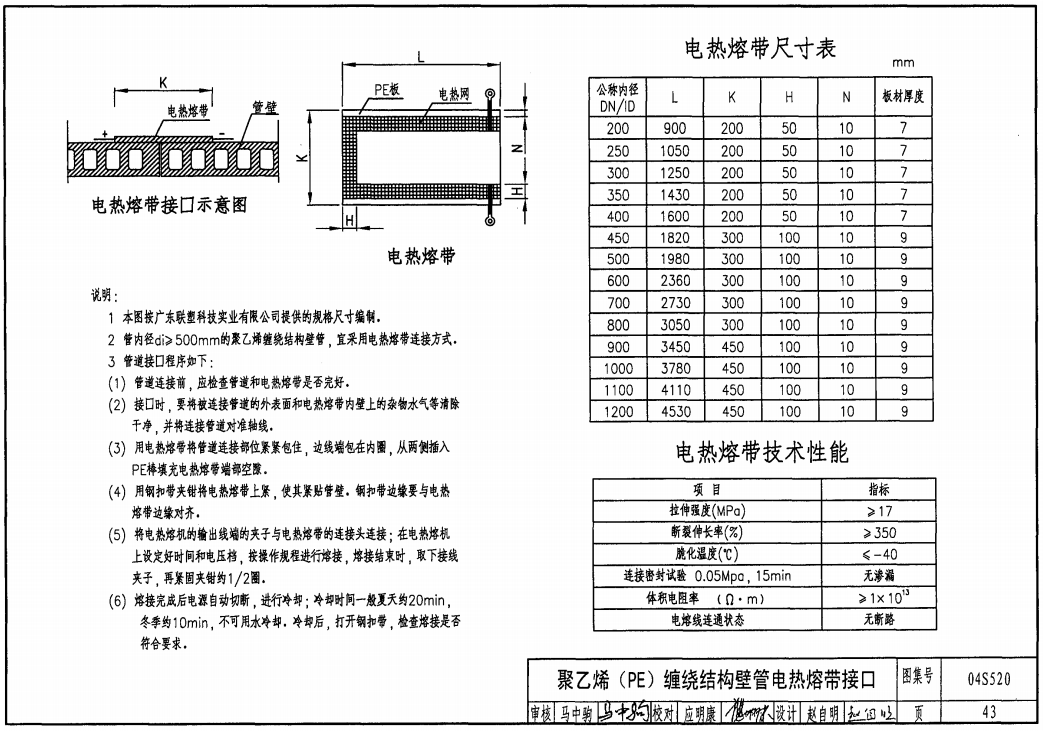
国标04S520埋地塑料排水管道施工图集内容截图







国标04S520埋地塑料排水管道施工图集相关内容小编就为大家介绍到这里了,更多pdf格式文档资料下载,敬请关注东坡下载站!

Sencha Touch权威指南pdf完整电子版
计算机组成原理pdf格式扫描版【清晰版】
联想LI2223swa平板宽屏显示器用户指南pdf格
大数据时代的历史机遇(产业变革与数据科学)
会计基础知识重点doc格式免费版【会计重点知







GB50016-2014建筑设计防火规范pdf格式免费版
python基础教程中文高清pdf【第二版】
疯狂android讲义第3版pdf高清扫描版【中文版
11G101新版全套图集pdf格式最新整理版【完整
13J811-1建筑设计防火规范图示(超清版)pdf格