微星B85M-E45主板采用Intel B85芯片组,支持Intel 22nm处理器,最大内存容量为32GB,不支持HIFI 。以下文档是微星B85M-E45主板使用说明书,为英文版,有需要的朋友可立即下载此文档。
温馨提示:
本文档为PDF格式文档,因此需确保在阅读之前你已经安装了pdf阅读器,如果尚未安装阅读器,建议下载福昕pdf阅读器或其他PDF阅读器,进行安装后阅读。

微星B85M-E45主板使用说明书目录
Preface ............................................................................................................i
Copyright Notice ......................................................................................................ii
Trademarks ..............................................................................................................ii
Revision History ......................................................................................................ii
Smartphone Application ..........................................................................................iii
Technical Support ..................................................................................................iii
Safety Instructions ..................................................................................................iv
FCC-B Radio Frequency Interference Statement ................................................... v
CE Conformity ......................................................................................................... v
Radiation Exposure Statement ...............................................................................vi
European Community Compliance Statement ........................................................vi
Taiwan Wireless Statements ...................................................................................vi
Japan VCCI Class B Statement ..............................................................................vi
Korea Warning Statements .....................................................................................vi
Battery Information .................................................................................................vii
Chemical Substances Information .........................................................................vii
WEEE (Waste Electrical and Electronic Equipment) Statement ...........................viii
Chapter 1 Getting Started............................................................................1-1
Packing Contents .................................................................................................1-2
Optional accessories ...........................................................................................1-2
Assembly Precautions ..........................................................................................1-3
Motherboard Specifications ..................................................................................1-4
Connectors Quick Guide ......................................................................................1-6
Back Panel Quick Guide ......................................................................................1-8
CPU (Central Processing Unit) ..........................................................................1-10
Introduction to the LGA 1150 CPU ..............................................................1-10
CPU & Heatsink Installation .........................................................................1-11
Memory ..............................................................................................................1-14
Dual-Channel mode Population Rule ..........................................................1-14
Mounting Screw Holes .......................................................................................1-15
Power Supply .....................................................................................................1-16
JPWR1~2: ATX Power Connectors .............................................................1-16
Expansion Slots .................................................................................................1-17
PCI_E1~E3: PCIe Expansion Slots .............................................................1-17
PCI1: PCI Expansion Slot ............................................................................1-17
Video/ Graphics Cards ......................................................................................1-18
Single Video Card Installation ......................................................................1-18
Internal Connectors ............................................................................................1-19
SATA1~6: SATA Connectors ......................................................................1-19
CPUFAN,SYSFAN1~2: Fan Power Connectors ..........................................1-20
JFP1, JFP2: System Panel Connectors ......................................................1-21
JUSB1~2: USB 2.0 Expansion Connector ...................................................1-22
JUSB3: USB 3.0 Expansion Connector .......................................................1-22
JCI1: Chassis Intrusion Connector ..............................................................1-23
JAUD1: Front Panel Audio Connector .........................................................1-23
JTPM1: TPM Module Connector .................................................................1-24
JLPT1: Parallel Port Connector ...................................................................1-24
JCOM1: Serial Port Connector ....................................................................1-25
Jumper ...............................................................................................................1-25
JBAT1: Clear CMOS Jumper .......................................................................1-25
Drivers and Utilities ............................................................................................1-26
Total Installer ...............................................................................................1-26
Chapter 2 Quick Installation ........................................................................2-1
CPU Installation ...................................................................................................2-2
Memory Installation ..............................................................................................2-4
Motherboard Installation .......................................................................................2-5
Power Connectors Installation .............................................................................2-7
SATA HDD Installation .........................................................................................2-9
mSATA SSD Installation ....................................................................................2-10
Front Panel Connector Installation .....................................................................2-11
JFP1 Connecotr Installation .........................................................................2-11
Front Panel Audio Connector Installation ....................................................2-11
Peripheral Connector Installation .......................................................................2-12
USB2.0 Connector Installation .....................................................................2-12
USB3.0 Connector Installation .....................................................................2-12
Graphics Card Installation ..................................................................................2-13
Chapter 3 BIOS Setup .................................................................................3-1
Entering Setup .....................................................................................................3-2
Entering BIOS Setup .....................................................................................3-2
Overview ..............................................................................................................3-3
Operation .............................................................................................................3-5
SETTINGS ...........................................................................................................3-6
System Status ................................................................................................3-6
Advanced .......................................................................................................3-7
Boot .............................................................................................................3-14
Security ........................................................................................................3-14
Save & Exit ..................................................................................................3-15
OC ......................................................................................................................3-16
M-FLASH ...........................................................................................................3-22
OC PROFILE .....................................................................................................3-23
HARDWARE MONITOR ....................................................................................3-24
Appendix A Intel SBA ................................................................................. A-1
Prerequisites ........................................................................................................A-2
Installing Intel SBA ...............................................................................................A-3
Software Configuration .........................................................................................A-3
Software panel overview ................................................................................A-3
Password settings ..........................................................................................A-4
Help Button ..........................................................................................................A-4
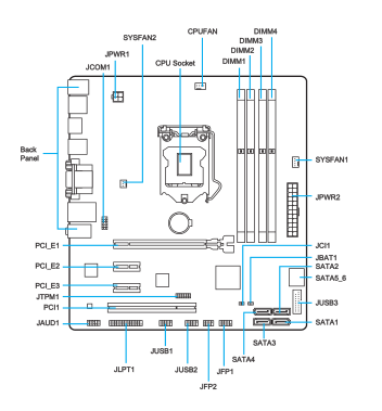
微星B85M-E45主板使用说明书——主板结构图

微星B85M-E45规格参数
CPU 插槽 1150
CPU (最高支持) i7
系统总线 100MHz
芯片组 Intel® B85 Express
DDR3 内存 DDR3 1066/1333/1600 MHz
内存通道 Dual
内存插槽 4
最大内存 (GB) 32
PCI-Ex16 1
PCI-E Gen Gen3(16)
PCI-Ex1 2
PCI 1
SATAIII 4
SATAII 2
网络接口 10/100/1000*1
TPM 1
USB 3.0 接口 (背板) 2
USB 2.0 接口 (背板) 4
音源接口 (背板) 3
VGA 1
HDMI 1
DVI 1
共享最大显存 (MB) 1024
DirectX DX11
尺寸 M-ATX


三菱通讯板FX2N-485-BD用户指南pdf格式免费
88ZJ411阳台栏杆图集pdf格式【清晰电子版】
施瓦辛格健身全书pdf格式免费电子版【中文完
CDN技术详解pdf格式【完整版】
体育教师求职信范文doc格式免费版【求职自荐







05J909/07G120工程做法完整图集(高清无水印
Spring MVC学习指南pdf高清扫描版
疯狂android讲义第3版pdf高清扫描版【中文版
php从入门到精通第3版pdf高清完整扫描版免费
GB50016-2014建筑设计防火规范pdf格式免费版
别怕 Excel 函数其实很简单pdf高清完整版