微星H97I AC主板采用Intel H97芯片组,CPU类型为Core i7/i5/i3/Pentium/Celeron,拥有4×USB2.0接口,6×USB3.0接口。以下文档是微星H97I AC/Z97I AC主板使用说明书,为英文版,有需要的朋友可立即下载此文档。
温馨提示:
本文档为PDF格式文档,因此需确保在阅读之前你已经安装了pdf阅读器,如果尚未安装阅读器,建议下载福昕pdf阅读器或其他PDF阅读器,进行安装后阅读。

微星H97I AC/Z97I AC主板使用说明书目录(预览)

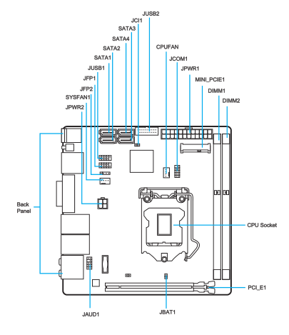
微星H97I AC/Z97I AC主板使用说明书——主板结构图

微星H97I AC规格参数
CPU 插槽 1150
CPU (最高支持) i7
系统总线 100MHz
芯片组 Intel® H97 Express
DDR3 内存 DDR3 1066/1333/1600 MHz
内存通道 Dual
内存插槽 2
最大内存 (GB) 16
PCI-Ex16 1
PCI-E Gen Gen3 (16)
SATAIII 4
USB 3.0 接口 (前端) 2
USB 2.0 接口 (前端) 2
RAID 0/1/5/10
网络接口 10/100/1000*1
USB 3.0 接口 (背板) 4
USB 2.0 接口 (背板) 2
音源接口 (背板) 6+Optical SPDIF
Display Port 1
HDMI 1
DVI 1
共享最大显存 (MB) 512
DirectX DX11
尺寸 Mini-ITX


班主任工作总结范文doc格式
01R414室外热力管道安装(架空支架)图集pdf格
99K103防排烟设备安装图集pdf格式免费版【适
Android软件安全与逆向分析pdf格式高清免费
电动力学简明教程(北京大学物理学丛书)pdf高







05J909/07G120工程做法完整图集(高清无水印
Spring MVC学习指南pdf高清扫描版
疯狂android讲义第3版pdf高清扫描版【中文版
php从入门到精通第3版pdf高清完整扫描版免费
GB50016-2014建筑设计防火规范pdf格式免费版
别怕 Excel 函数其实很简单pdf高清完整版